Lantick (wszystkie wersje)
Przegląd
Ostrzeżenie
Instrukcja ma zastosowanie wyłącznie od wersji oprogramowania v4.24 wzwyż. Firma Inveo nie gwarantuje zgodności informacji zawartych w niniejszym dokumencie z wcześniejszymi wersjami oprogramowania.
Przeznaczenie urządzenia
Urządzenia Lantick to wszechstronne rozwiązania do sterowania obwodami elektrycznymi, łączące funkcje sterowania wyjściami (przekaźniki lub High-Side Power Switch) z obsługą wejść cyfrowych (bezpotencjałowych lub napięciowych). Dodatkowo wejścia mogą działać w trybie zliczania impulsów, co poszerza możliwości ich zastosowania.
Dzięki komunikacji przez sieć LAN, Lantick umożliwia zdalne sterowanie i monitorowanie stanu urządzenia. Różne modele Lantick oferują różne konfiguracje wejść i wyjść, a numeracja w ich nazwach wskazuje te parametry, ułatwiając dobór odpowiedniego urządzenia do konkretnych potrzeb.
Changelog
1.0 10 marca 2025
- Wersja oprogramowania v4.24
- Przegląd
- Budowa urządzenia
- Konfiguracja sieciowa
- Funkcje urządzenia
- Protokoły komunikacyjne
- Komunikacja 1 do 1 – przedłużacz LAN
- Protokoły komunikacyjne
- Comm2Other – KNX
- Comm2Other – TCP/UDP
- Comm2Other – HTTP GET
- Sterowanie przez chmurę
- Program sterujący z linii komend Windows
- Program sterujący Linux
- Modbus TCP
- HTTP GET
- Opis protokołu komunikacji TCP/UDP/IP
- Protokół TCP/UDP w sterowaniu programowym
- Przykłady zastosowania
- Przykład konfiguracji połączenia mostowego między dwoma modułami Lantick
- Przykład podłączenia silnika rolety do modułu PE-2-2
- Monitorowanie komunikacji między dwoma urządzeniami Lantick w systemie alarmowym za pomocą funkcji Comm Monitor
- Sterowanie oświetleniem i roletą w pokoju gościnnym z wykorzystaniem Lantick i KNX
- Komunikacja jeden do wielu/wiele do jednego z zabezpieczeniem przed utratą łączności
- Ustawienia fabryczne, backup
- Gwarancja i odpowiedzialność producenta
Budowa urządzenia
Lantick PE-0-1
Dane techniczne
| Parametr | Wartość |
|---|---|
| Zasilanie | Passive PoE 10-24V DC przez adapter PoE |
| Pobór mocy | Maksymalnie 1,5W |
| Wejście | Liczba wejść: 1 Typ wejścia: zwierne (podanie napięcia skutkuje uszkodzeniem modułu), NO Maksymalna wartość licznika: 4 294 967 296 Maksymalna częstotliwość wejściowa: 1000Hz |
| Komunikacja | Port Ethernet 10Mbps, RJ45 |
| Masa | ok. 37g |
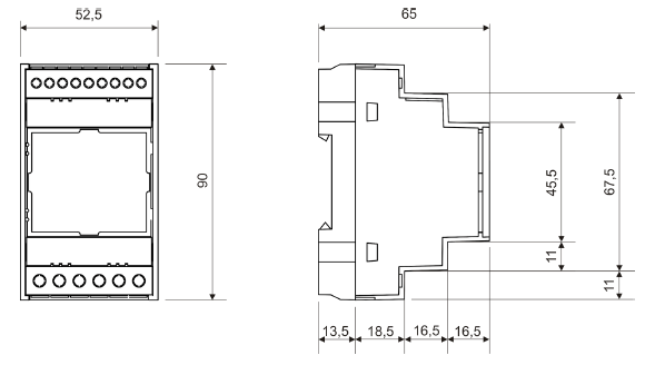
Wymiary
Informacja
Wszystkie wymiary podane są w milimetrach.
Widok ogólny
Sygnalizacja
| Nazwa | Opis |
|---|---|
| POWER | Zasilanie modułu |
| INPUT | Stan wejścia |
Wejście
Schemat wejścia cyfrowego przedstawiono na rysunku poniżej.
Lantick PE-1-0
Dane techniczne
| Parametr | Wartość |
|---|---|
| Zasilanie | Passive PoE 10-24V DC przez adapter PoE |
| Pobór mocy | Maksymalnie 1,5W |
| Wyjście | Liczba wyjść: 1 Typ wyjścia: przekaźnik Maksymalne napięcie pracy: 30V DC Maksymalny prąd obciążenia przekaźnika: 1A Wyjście NO (normalnie otwarte) Czas załączenia: 1ms Czas wyłączenia: 5ms Tryb pracy: bistabilny, astabilny, monostabilny (jednokrotne wyzwolenie) Rozdzielczość czasu załączenia/wyłączenia: 100ms |
| Komunikacja | Port Ethernet 10Mbps, RJ45 |
Wymiary
Informacja
Wszystkie wymiary podane są w milimetrach.
Widok ogólny
Sygnalizacja
| Nazwa | Opis |
|---|---|
| POWER | Zasilanie modułu |
| OUTPUT | Stan wyjścia |
Lantick PE-1-1
Dane techniczne
| Parametr | Wartość |
|---|---|
| Zasilanie | 10-24V DC (złącze rozłączne 3,5mm) PoE: 33-57V PoE IEEE 802.3af |
| Pobór mocy | Maksymalnie 2W |
| Wyjście | Liczba wyjść: 1 Typ wyjścia: przekaźnik Maksymalne napięcie pracy: 30V DC Maksymalny prąd obciążenia przekaźnika: 1A Wyjście NO (normalnie otwarte) Czas załączenia: 1ms Czas wyłączenia: 5ms Tryb pracy: bistabilny, astabilny, monostabilny (jednokrotne wyzwolenie) Rozdzielczość czasu załączenia/wyłączenia: 100ms Złącze śrubowe obwodów wyjściowych. |
| Wejście | Liczba wejść: 1 Typ wejścia: zwierne (podanie napięcia skutkuje uszkodzeniem modułu), NO Maksymalna wartość licznika: 4 294 967 296 Maksymalna częstotliwość wejściowa: 1000Hz |
| Komunikacja | Port Ethernet 10Mbps, RJ45 |
| Masa | ok. 67g |
Wymiary
Informacja
Wszystkie wymiary podane są w milimetrach.
Widok ogólny
Sygnalizacja
Moduł posiada wyświetlacz, który informuje o stanie kanałów wejściowych i wyjściowych:
- Gdy kanał wyjściowy jest nieaktywny, na wyświetlaczu pojawia się symbol
o, a gdy jest aktywny – symbol0, - Analogicznie, kanał wejściowy w stanie nieaktywnym sygnalizowany jest przez symbol
i, natomiast w stanie aktywnym – przez symbolI.
Dzięki temu systemowi oznaczeń można łatwo i szybko sprawdzić aktualny status każdego kanału.
Wejście
Schemat wejścia cyfrowego przedstawiono na rysunku poniżej.
Lantick PE-2-2
Dane techniczne
| Parametr | Wartość |
|---|---|
| Zasilanie | 10-24V DC (złącze śrubowe 3,5mm) lub Passive PoE 10-24V DC |
| Pobór mocy | 1,5 – 3W (zależy od liczby załączonych wyjść) |
| Wyjścia | Liczba wyjść: 1 Typ wyjść: przekaźnik, NO oraz NC Maksymalne napięcie pracy: 250V AC Maksymalny prąd obciążenia przekaźników: 4A Czas załączenia: 1ms Czas wyłączenia: 5ms Tryb pracy: bistabilny, astabilny, monostabilny (jednokrotne wyzwolenie), rolety Rozdzielczość czasu załączenia/wyłączenia: 100ms, Złącze śrubowe obwodów wyjściowych |
| Wejścia | Liczba wejść: 1 Typ wejść: transoptor (bezpotencjałowe, wstępnie spolaryzowane) lub napięciowe Napięcie wejścia: 10-24V Maksymalna wartość licznika: 4 294 967 296 Maksymalna częstotliwość wejściowa: 1000Hz |
| Komunikacja | Port Ethernet 10Mbps, RJ45 |
| Masa | ok. 123g |
Wymiary
Informacja
Wszystkie wymiary podane są w milimetrach.
Widok ogólny
Sygnalizacja
| Nazwa | Opis |
|---|---|
| POWER | Zasilanie modułu |
| Status 1 | Możliwość przyporządkowania stanu wejścia lub wyjścia |
| Status 2 | Możliwość przyporządkowania stanu wejścia lub wyjścia |
| LINK | Sygnalizacja aktywnego połączenia LAN |
| ACK | Sygnalizacja aktywnego połączenia LAN |
Wejścia
Schematy wejść cyfrowych przedstawiono na rysunku poniżej. Górny schemat odpowiada wejściu w pełni optoizolowanemu. Dolny odpowiada wersji z wejściem zwiernym.
Typ wejścia jest ustawiany podczas produkcji. Istnieje możliwość ustawienia różnych konfiguracji dla obu wejść.
Informacja
Wejście w trybie napięciowym przystosowane jest do napięcia wejściowego 10-24V.
Złącza modułu
Sekcja górna
| Numer wyprowadzenia | Nazwa | Opis |
|---|---|---|
| 1-2 | Input 2 | Wejście cyfrowe nr 2 |
| 3-4 | Input 1 | Wejście cyfrowe nr 1 |
| 5-7 | Reset | Przycisk Reset |
| 8 | Power | Wejście zasilania 10-24V DC |
| 9 | Power | Wejście zasilania 10-24V DC |
Sekcja dolna
| Numer wyprowadzenia | Nazwa | Opis |
|---|---|---|
| 1 | COM | Wyprowadzenie wspólne przekaźnika 1 |
| 2 | NO | Wyprowadzenie NO przekaźnika 1 |
| 3 | NC | Wyprowadzenie NC przekaźnika 1 |
| 4 | COM | Wyprowadzenie wspólne przekaźnika 2 |
| 5 | NO | Wyprowadzenie NO przekaźnika 2 |
| 6 | NC | Wyprowadzenie NC przekaźnika 2 |
Lantick PE-0-4
| Parametr | Wartość |
|---|---|
| Zasilanie | 10-24V DC (złącze śrubowe 3,5mm) lub Passive PoE 10-24V DC |
| Pobór mocy | 1,5 – 3W (zależy od liczby załączonych wyjść) |
| Wejścia | Liczba wejść: 4 Typ wejść: transoptor (bezpotencjałowe, wstępnie spolaryzowane) lub napięciowe Napięcie wejścia: 10-24V Maksymalna wartość licznika: 4 294 967 296 Maksymalna częstotliwość wejściowa: 1000Hz |
| Komunikacja | Port Ethernet 10Mbps, RJ45 |
Wymiary
Informacja
Wszystkie wymiary podane są w milimetrach.
Widok ogólny
Sygnalizacja
| Nazwa | Opis |
|---|---|
| POWER | Zasilanie modułu |
| Status 1 | Możliwość przyporządkowania stanu wejścia |
| Status 2 | Możliwość przyporządkowania stanu wejścia |
| LINK | Sygnalizacja aktywnego połączenia LAN |
| ACK | Sygnalizacja aktywnego połączenia LAN |
Wejścia
Schematy wejść cyfrowych przedstawiono na rysunku poniżej. Górny schemat odpowiada wejściu w pełni optoizolowanemu. Dolny odpowiada wersji z wejściem zwiernym.
Typ wejścia jest ustawiany podczas produkcji. Istnieje możliwość ustawienia różnych konfiguracji dla wszystkich wejść.
Informacja
Wejście w trybie napięciowym przystosowane jest do napięcia wejściowego 10-24V.
Złącza modułu
Sekcja górna
| Numer wyprowadzenia | Nazwa | Opis |
|---|---|---|
| 9 | Reset | Przycisk Reset |
| 10 | Power | Wejście zasilania 10-24V DC |
| 11 | Power | Wejście zasilania 10-24V DC |
Sekcja dolna
| Numer wyprowadzenia | Nazwa | Opis |
|---|---|---|
| 1-2 | IN1 | Wejście cyfrowe nr 1 |
| 3-4 | IN2 | Wejście cyfrowe nr 2 |
| 5-6 | IN3 | Wejście cyfrowe nr 3 |
| 7-8 | IN4 | Wejście cyfrowe nr 4 |
Lantick PE-4-4
Dane techniczne
W module istnieje możliwość wyboru sposobu zasilania:
- Zasilaczem 10-24VDC podłączonym do złącza śrubowego (przełącznik Pwr select ustawiony w górę),
- Przez połączenie LAN Passive PoE, przy użyciu pary niebieskiej i brązowej (przełącznik Pwr select ustawiony w dół).
Ostrzeżenie
Przy podłączeniu zasilania 12-24V DC i jednoczesnym ustawieniu przełącznika Pwr select w pozycji w dół, jeżeli moduł jest podłączony do switcha może dojść do jego uszkodzenia (ponieważ na parach niebieskiej i brązowej pojawi się napięcie pochodzące ze złącza śrubowego).
| Parametr | Wartość |
|---|---|
| Zasilanie | 10-24V DC (złącze śrubowe 3,5mm) lub Passive PoE 10-24V DC |
| Pobór mocy | 1,5 – 4,2W (zależy od liczby załączonych wyjść) |
| Wyjścia | Liczba wyjść: 4 Typ wyjść: przekaźnik, NO Maksymalne napięcie pracy: 250V AC Maksymalny prąd obciążenia przekaźników: 2A Czas załączenia: 1ms Czas wyłączenia: 5ms Tryb pracy: bistabilny, astabilny, monostabilny (jednokrotne wyzwolenie), rolety Rozdzielczość czasu załączenia/wyłączenia: 100ms, Złącze śrubowe obwodów wyjściowych |
| Wejścia | Liczba wejść: 4 Typ wejścia: wejść: transoptor, napięciowe Napięcie wejścia: 10-24V Maksymalna wartość licznika: 4 294 967 296 Maksymalna częstotliwość wejściowa: 1000Hz |
| Komunikacja | Port Ethernet 10Mbps, RJ45 |
| Masa | ok. 203g |
Wymiary
Informacja
Wszystkie wymiary podane są w milimetrach.
Widok ogólny
Sygnalizacja
| Nazwa | Opis |
|---|---|
| POWER | Zasilanie modułu |
| LINK | Sygnalizacja aktywnego połączenia LAN |
| ACT | Sygnalizacja aktywnego połączenia LAN |
| OUTPUTS 1 | Stan wyjścia przekaźnikowego numer 1 |
| OUTPUTS 2 | Stan wyjścia przekaźnikowego numer 2 |
| OUTPUTS 3 | Stan wyjścia przekaźnikowego numer 3 |
| OUTPUTS 4 | Stan wyjścia przekaźnikowego numer 4 |
| INPUTS 5 | Stan wejścia numer 5 |
| INPUTS 6 | Stan wejścia numer 6 |
| INPUTS 7 | Stan wejścia numer 7 |
| INPUTS 8 | Stan wejścia numer 8 |
| SAFE | Utrata komunikacji Modbus |
| REMOTE | Sygnalizacja połączenia z serwerem |
| DHCP | Aktywny tryb DHCP |
| NORM | Moduł w trybie normalnej pracy |
| BOOT | Moduł w trybie BOOTLOADER |
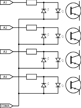
Wyjścia
Schemat sekcji wyjść przekaźnikowych przedstawiono na rysunku poniżej. Styk COM jest wyjściem wspólnym dla czterech przekaźników.
Wejścia
Schematy wejść cyfrowych przedstawiono na rysunku poniżej.
Informacja
Schemat odpowiada wejściu w pełni optoizolowanemu.
Wejście przystosowane jest do napięcia wejściowego 10-24V.
Schemat sekcji wejść przedstawiono na rysunku poniżej. Styk COM jest wspólny dla czterech wejść.
Złącza modułu
Sekcja górna
| Numer wyprowadzenia | Nazwa | Opis |
|---|---|---|
| 1 | COM A | Wyprowadzenie wspólne przekaźników 1-4 |
| 2 | A1 | Wyprowadzenie NO przekaźnika 1 |
| 3 | A2 | Wyprowadzenie NO przekaźnika 2 |
| 4 | A3 | Wyprowadzenie NO przekaźnika 3 |
| 5 | A4 | Wyprowadzenie NO przekaźnika 4 |
| 6 | COM B | Wyprowadzenie wspólne wejść 5-8 |
| 7 | B5 | Wejście 5 |
| 8 | B6 | Wejście 6 |
| 9 | B7 | Wejście 7 |
| 10 | B8 | Wejście 8 |
Sekcja dolna
| Numer wyprowadzenia | Nazwa | Opis |
|---|---|---|
| 1-2 | Power | Wejście zasilania 10-24V DC |
| 3-4 | Pwr select | Wybór sposobu zasilania |
| 5 | Reset | Przycisk przełączania w tryb bootloadera (dostępny jedynie w trybie awaryjnym) |
| 6-9 | LAN | Gniazdo LAN |
| 16 | RS485 – GND | Złącze niewykorzystane |
| 17 | RS485 – A | Złącze niewykorzystane |
| 18 | RS485 – B | Złącze niewykorzystane |
Lantick PE-0-8
Dane techniczne
W module istnieje możliwość wyboru sposobu zasilania:
- Zasilaczem 10-24VDC podłączonym do złącza śrubowego (przełącznik Pwr select ustawiony w górę),
- Przez połączenie LAN Passive PoE, przy użyciu pary niebieskiej i brązowej (przełącznik Pwr select ustawiony w dół).
Ostrzeżenie
Przy podłączeniu zasilania 12-24V DC i jednoczesnym ustawieniu przełącznika Pwr select w pozycji w dół, jeżeli moduł jest podłączony do switcha może dojść do jego uszkodzenia (ponieważ na parach niebieskiej i brązowej pojawi się napięcie pochodzące ze złącza śrubowego).
| Parametr | Wartość |
|---|---|
| Zasilanie | 10-24V DC (złącze śrubowe 3,5mm) lub passive PoE 10-24V DC |
| Pobór mocy | 1,5 – 4,2W (zależy od liczby załączonych wyjść) |
| Wejścia | Liczba wejść: 8 Typ wejść: transoptor, napięciowe Napięcie wejścia: 10-24V Maksymalna wartość licznika: 4 294 967 296 Maksymalna częstotliwość wejściowa: 1000Hz |
| Komunikacja | Port Ethernet 10Mbps, RJ45 |
| Masa | ok. 172g |
Wymiary
Informacja
Wszystkie wymiary podane są w milimetrach.
Widok ogólny
Sygnalizacja
| Nazwa | Opis |
|---|---|
| POWER | Zasilanie modułu |
| LINK | Sygnalizacja aktywnego połączenia LAN |
| ACT | Sygnalizacja aktywnego połączenia LAN |
| INPUTS 1 | Stan wejścia numer 1 |
| INPUTS 2 | Stan wejścia numer 2 |
| INPUTS 3 | Stan wejścia numer 3 |
| INPUTS 4 | Stan wejścia numer 4 |
| INPUTS 5 | Stan wejścia numer 5 |
| INPUTS 6 | Stan wejścia numer 6 |
| INPUTS 7 | Stan wejścia numer 7 |
| INPUTS 8 | Stan wejścia numer 8 |
| SAFE | Utrata komunikacji Modbus (opcja) |
| REMOTE | Sygnalizacja połączenia z serwerem |
| DHCP | Aktywny tryb DHCP |
| NORM | Moduł w trybie normalnej pracy |
| BOOT | Moduł w trybie BOOTLOADER |
Wejścia
Schematy wejść cyfrowych przedstawiono na rysunku poniżej.
Informacja
Schemat odpowiada wejściu w pełni optoizolowanemu.
Wejście przystosowane jest do napięcia wejściowego 10-24V.
Schemat sekcji wejść przedstawiono na rysunku poniżej. Styk COM jest wspólny dla czterech wejść.
Złącza modułu
Sekcja górna
| Numer wyprowadzenia | Nazwa | Opis |
|---|---|---|
| 1 | COM A | Wyprowadzenie wspólne wejść 1-4 |
| 2 | A1 | Wejście 1 |
| 3 | A2 | Wejście 2 |
| 4 | A3 | Wejście 3 |
| 5 | A4 | Wejście 4 |
| 6 | COM B | Wyprowadzenie wspólne wejść 5-8 |
| 7 | B5 | Wejście 5 |
| 8 | B6 | Wejście 6 |
| 9 | B7 | Wejście 7 |
| 10 | B8 | Wejście 8 |
Sekcja dolna
| Numer wyprowadzenia | Nazwa | Opis |
|---|---|---|
| 1-2 | Power | Wejście zasilania 10-24V DC |
| 3-4 | Pwr select | Wybór sposobu zasilania |
| 5 | Reset | Przycisk przełączania w tryb bootloadera (dostępny jedynie w trybie awaryjnym) |
| 6-9 | LAN | Gniazdo LAN |
| 16 | RS485 – GND | Złącze niewykorzystane |
| 17 | RS485 – A | Złącze niewykorzystane |
| 18 | RS485 – B | Złącze niewykorzystane |
Lantick PE-8-0
Dane techniczne
W module istnieje możliwość wyboru sposobu zasilania:
- Zasilaczem 10-24VDC podłączonym do złącza śrubowego (przełącznik Pwr select ustawiony w górę),
- Przez połączenie LAN Passive PoE, przy użyciu pary niebieskiej i brązowej (przełącznik Pwr select ustawiony w dół).
Ostrzeżenie
Przy podłączeniu zasilania 12-24V DC i jednoczesnym ustawieniu przełącznika Pwr select w pozycji w dół, jeżeli moduł jest podłączony do switcha może dojść do jego uszkodzenia (ponieważ na parach niebieskiej i brązowej pojawi się napięcie pochodzące ze złącza śrubowego).
| Parametr | Wartość |
|---|---|
| Zasilanie | 10-24V DC (złącze śrubowe 3,5mm) lub Passive PoE 10-24V DC |
| Pobór mocy | 1,5 – 4,2W (zależy od liczby załączonych wyjść) |
| Wyjścia | Liczba wyjść: 8 Typ wyjść: przekaźnik, NO Maksymalne napięcie pracy: 250V AC Maksymalny prąd obciążenia przekaźników: 2A Czas załączenia: 1ms Czas wyłączenia: 5ms Tryb pracy: bistabilny, astabilny, monostabilny (jednokrotne wyzwolenie), rolety Rozdzielczość czasu załączenia/wyłączenia: 100ms, Złącze śrubowe obwodów wyjściowych |
| Komunikacja | Port Ethernet 10Mbps, RJ45 |
| Masa | ok. 235g |
Wymiary
Informacja
Wszystkie wymiary podane są w milimetrach.
Widok ogólny
Sygnalizacja
| Nazwa | Opis |
|---|---|
| POWER | Zasilanie modułu |
| LINK | Sygnalizacja aktywnego połączenia LAN |
| ACT | Sygnalizacja aktywnego połączenia LAN |
| OUTPUTS 1 | Stan wyjścia przekaźnikowego numer 1 |
| OUTPUTS 2 | Stan wyjścia przekaźnikowego numer 2 |
| OUTPUTS 3 | Stan wyjścia przekaźnikowego numer 3 |
| OUTPUTS 4 | Stan wyjścia przekaźnikowego numer 4 |
| OUTPUTS 5 | Stan wyjścia przekaźnikowego numer 5 |
| OUTPUTS 6 | Stan wyjścia przekaźnikowego numer 6 |
| OUTPUTS 7 | Stan wyjścia przekaźnikowego numer 7 |
| OUTPUTS 8 | Stan wyjścia przekaźnikowego numer 8 |
| SAFE | Utrata komunikacji Modbus (opcja) |
| REMOTE | Sygnalizacja połączenia z serwerem |
| DHCP | Aktywny tryb DHCP |
| NORM | Moduł w trybie normalnej pracy |
| BOOT | Moduł w trybie BOOTLOADER |
Wyjścia
Schemat sekcji wyjść przekaźnikowych przedstawiono na rysunku poniżej. Styk COM jest wyjściem wspólnym dla czterech przekaźników.
Złącza modułu
Sekcja górna
| Numer wyprowadzenia | Nazwa | Opis |
|---|---|---|
| 1 | COM A | Wyprowadzenie wspólne przekaźników 1-4 |
| 2 | A1 | Wyprowadzenie NO przekaźnika 1 |
| 3 | A2 | Wyprowadzenie NO przekaźnika 2 |
| 4 | A3 | Wyprowadzenie NO przekaźnika 3 |
| 5 | A4 | Wyprowadzenie NO przekaźnika 4 |
| 6 | COM B | Wyprowadzenie wspólne przekaźników 5-8 |
| 7 | B5 | Wyprowadzenie NO przekaźnika 5 |
| 8 | B6 | Wyprowadzenie NO przekaźnika 6 |
| 9 | B7 | Wyprowadzenie NO przekaźnika 7 |
| 10 | B8 | Wyprowadzenie NO przekaźnika 8 |
Sekcja dolna
| Numer wyprowadzenia | Nazwa | Opis |
|---|---|---|
| 1-2 | Power | Wejście zasilania 10-24V DC |
| 3-4 | Pwr select | Wybór sposobu zasilania |
| 5 | Reset | Przycisk przełączania w tryb bootloadera (dostępny jedynie w trybie awaryjnym) |
| 6-9 | LAN | Gniazdo LAN |
| 16 | RS485 – GND | Złącze niewykorzystane |
| 17 | RS485 – A | Złącze niewykorzystane |
| 18 | RS485 – B | Złącze niewykorzystane |
Lantick PE-0-16
| Kategoria | Szczegóły |
|---|---|
| Zasilanie | 10-24V DC przez złącze rozłączne 3,5mm PoE 802.3af przez port LAN 1 Passive PoE 10-24V DC przez port LAN 2 |
| Pobór mocy | 1 – 2W |
| Wejścia | Liczba wejść: 16 Typ wejść: izolowane galwaniczne NO, wstępnie spolaryzowane zwierne/napięciowe Napięcie wejść: 10-24V |
| Komunikacja | Port Ethernet 10Mbps, RJ45 Wbudowany switch do podłączenia kolejnych urządzeń LAN (np. LanTick) |
Wymiary
Informacja
Wszystkie wymiary podane są w milimetrach.
Widok ogólny
Sygnalizacja
| Nazwa | Opis |
|---|---|
| POWER | Zasilanie modułu |
| LINK | Sygnalizacja aktywnego połączenia LAN |
| ACT | Sygnalizacja aktywnego połączenia LAN |
| INPUTS 1 | Stan wejścia numer 1 |
| INPUTS X | Stan wejścia numer x dla x=2-16 |
| SAFE | Utrata komunikacji Modbus (opcja) |
| REMOTE | Sygnalizacja połączenia z serwerem |
| DHCP | Aktywny tryb DHCP |
| NORM | Moduł w trybie pracy normalnej |
| BOOT | Moduł w trybie BOOTLOADER |
Wejścia
Schemat wejść cyfrowych:
Złącza modułu
Sekcja górna
| Nazwa wyprowadzenia | Opis |
|---|---|
| COM A | Wyprowadzenie wspólne wejść 1-8 |
| I1 | Wejście 1 |
| Ix | Wejście X dla X=2-8 |
| I9 | Wejście 9 |
| Ix | Wejście X dla X=10-16 |
| COM B | Wyprowadzenie wspólne wejść 9-16 |
Sekcja dolna
| Nazwa wyprowadzenia | Opis |
|---|---|
| Power | Wejście zasilania 10-24V DC |
| LAN 1 | Gniazdo LAN - Zasilanie PoE 802.3af |
| LAN 2 | Gniazdo LAN - Zasilanie Passive PoE |
| RESET | Przycisk przełączania w tryb bootloadera (dostępny jedynie w trybie awaryjnym) |
Lantick PE-16-0
Dane techniczne
| Kategoria | Szczegóły |
|---|---|
| Zasilanie | 10-24V DC przez złącze rozłączne 3,5mm PoE 802.3af przez port LAN 1 Passive PoE 10-24V DC przez port LAN 2 |
| Pobór mocy | 1 – 2W |
| Wyjścia | Liczba wyjść: 16 Typ wyjść: tranzystorowe Napięcie wyjścia: 5-28V DC Maksymalny prąd pracy: 1.7A na kanał |
| Komunikacja | Port Ethernet 10Mbps, RJ45 Wbudowany switch do podłączenia kolejnych urządzeń LAN (np. LanTick) |
| Masa | ok. 164g |
Wymiary
Informacja
Wszystkie wymiary podane są w milimetrach.
Widok Ogólny
Sygnalizacja
| Nazwa | Opis |
|---|---|
| POWER | Zasilanie modułu |
| LINK | Sygnalizacja aktywnego połączenia LAN |
| ACT | Sygnalizacja aktywnego połączenia LAN |
| Q1 | Stan wyjścia numer 1 |
| Qx | Stan wyjścia numer x dla x=2-16 |
| SAFE | Utrata komunikacji Modbus (opcja) |
| REMOTE | Sygnalizacja połączenia z serwerem |
| DHCP | Aktywny tryb DHCP |
| NORM | Moduł w trybie pracy normalnej |
| BOOT | Moduł w trybie BOOTLOADER |
Złącza modułu
Sekcja górna
| Nazwa wyprowadzenia | Opis |
|---|---|
| COM A | Wyprowadzenie wspólne wyjść 1-8 |
| Q1 | Wyjście 1 |
| Qx | Wyjście X dla X=2:8 |
| COM A | Wyprowadzenie wspólne wyjść 1-8 |
| Q9 | Wyjście 9 |
| Qx | Wyjście X dla X=10:16 |
| COM B | Wyprowadzenie wspólne wyjść 9-16 |
Sekcja dolna
| Nazwa wyprowadzenia | Opis |
|---|---|
| Power | Wejście zasilania 10-24V DC |
| LAN 1 | Gniazdo LAN - Zasilanie PoE 802.3af |
| LAN 2 | Gniazdo LAN - Zasilanie Passive PoE |
| RESET | Przycisk przełączania w tryb bootloadera (dostępny jedynie w trybie awaryjnym) |
Ostrzeżenie
Wyjścia Lantick’a PE-16-0 muszą być podłączone w taki sposób, aby GND zasilacza, Lantick’a i podłączonego urządzenia było wspólne.
Przykłady podłączenia wyjść
Wskazówka
Jeśli istnieje potrzeba zastosowania wyjść typu zwiernego (bezpotencjałowego), zalecamy użycie zewnętrznego przekaźnika.
Konfiguracja sieciowa
Zmiana adresu IP urządzenia poprzez program Discoverer
Po uruchomieniu programu Discoverer i wyszukaniu odpowiedniego urządzenia należy:
1. Kliknąć urządzenie prawym przyciskiem myszy
2. Wcisnąć przycisk Change IP.
Po otwarciu okna dialogowego można:
- Ustawić odpowiedni adres IP, maskę, bramę, DNS1/DNS2.
- Zmienić nazwę Hosta.
Informacja
Urządzenie zostanie skonfigurowane po naciśnięciu przycisku Change.
W przypadku wyłączonej opcji Remote Config (domyślnie włączona) konieczne jest skonfigurowanie urządzenia poprzez zmianę podsieci komputera (Jak to zrobić zostanie opisane niżej).
Aby włączyć opcję zdalnej konfiguracji:
1. Wejdź w zakładkę Administration → Services.
2. Zaznacz opcję Enable Remote Network Config.
Wskazówka
Po dokonaniu zmian, należy zapisać zmiany przyciskiem Save
Zmiana podsieci komputera do konfiguracji
Przy konfiguracji urządzenia z pominięciem aplikacji Discoverer należy najpierw zmienić adres podsieci komputera podłączonego do tej samej sieci.
Aby przejść do konfiguracji sieci komputera, wykonaj jedną z poniższych czynności:
- Naciśnij Win + R, wpisz
ncpa.cpl, a następnie naciśnij Enter. - Alternatywnie przejdź do:
Start → Panel Sterowania → Sieć i Internet → Centrum sieci i udostępniania → Zmień ustawienia karty sieciowej.
Następnie:
1. Wybierz połączenie sieciowe.
2. Kliknij je prawym przyciskiem myszy i wybierz Właściwości.
3. Po wybraniu tej opcji pojawi się ekran konfiguracji połączenia sieciowego.
Następnie należy wybrać ustawienie Protokół internetowy (TCP/IP)” i wpisać następujące parametry:
Infromacja
Po zaakceptowaniu ustawień przyciskiem OK należy uruchomić przeglądarkę internetową i wpisać adres: 192.168.111.15. (Domyślny użytkownik i hasło: admin/admin00).
W zakładce Network jest możliwość zmiany parametrów sieci LAN.
Do konfiguracji sieci służą następujące pola:
- Host Name – Nazwa NetBios.
- DHCP – Załączenie klienta DHCP; zaznaczenie tego pola wymusza użycie adresu przypisanego przez serwer DHCP.
- IP Address – Adres IP modułu.
- IP Mask – Maska podsieci.
- Gateway – Brama sieciowa.
- DNS1, DNS2 – Adresy serwerów DNS.
- Reset to default – Reset do ustawień fabrycznych.
- Aby przywrócić moduł do ustawień fabrycznych, wpisz w puste pole słowo
reseti zatwierdź przyciskiem Save.
- Aby przywrócić moduł do ustawień fabrycznych, wpisz w puste pole słowo
Wskazówka
Po dokonaniu zmian, należy zapisać zmiany przyciskiem Save
Komunikacja z modułem z zewnętrznej sieci
Informacja
Jeżeli moduł znajduje się w innej sieci LAN niż komputer łączący się do niego, wymagane jest przekierowanie portów. Zależnie od wykorzystywanej metody komunikacji z modułem, konieczne jest skontaktowanie się z administratorem sieci i przekierowanie odpowiednich portów:
Obsługa przez stronę WWW:
- Port: TCP/UDP/IP 80
Obsługa przez protokół KNX/IP:
- Adres multicast: UDP 224.0.23.12
- Port: 3671
Obsługa przez program komputerowy lub własną aplikację:
- Port: TCP/UDP/IP 9761
Obsługa przez protokół Modbus TCP:
- Port: TCP/IP 502
Obsługa przez protokół SNMP:
- Port: UDP 161
Funkcje urządzenia
Status urządzenia
Informacja
Status urządzenia dostępny jest przez stronę www (fabrycznie 192.168.111.15). Po poprawnym zalogowaniu się do modułu (fabrycznie login:admin hasło:admin00) na głównej stronie widać podstawowe parametry.
- Model: typ urządzenia (np. LantickPro-4-4)
- Firmware: wersja oprogramowania zainstalowana w module
- IP: adres IP modułu
- MAC: adres fizyczny modułu
- Name: nazwa modułu nadana przez użytkownika
Tabela Outputs
- Name: nazwa kanału nadana przez użytkownika (domyślnie: CH1, CH2...),
- On/Off: umożliwia załączenie bądź wyłączenie wyjścia przez kliknięcie na wybraną ikonę.
Kolor ikony informuje o stanie wyjścia:- czerwony – wyjście wyłączone,
- zielony – wyjście załączone.
- Coil State: stan przekaźnika załączony/wyłączony:
- Stan ten może być różny od kolumny On/Off np. w trybie astabilnym, gdzie kanał jest załączony (On/Off sygnalizowany jest na zielono), natomiast przekaźnik (Coil State) jest naprzemiennie włączany i wyłączany wg ustawień Time On i Time Off.
Tabela Inputs
- Name: nazwa kanału nadana przez użytkownika (domyślnie: CH1, CH2...),
- In State: aktualny stan obwodu wejściowego. (Kolor czerwony – wejście nieaktywne, kolor zielony – wejście aktywne),
- Counter: stan wejścia zliczającego (dotyczy wejść; zliczanie stanu wyjść opisane jest poniżej),
- Action: Reset licznika. Kliknięcie Reset powoduje wyzerowanie odpowiedniego licznika.
Wskazówka
Status urządzenia można również znaleźć, odwołując się do strony: http://IP_urządzenia/stat.php lub http://IP_urządzenia/status.xml
<response>
<prod_name>Lantick-8-0</prod_name>
<user_name></user_name>
<out>0000000000000000</out>
<on>0000000000000000</on>
<in>0000000000000000</in>
<counter1>166</counter1>
<counter2>7</counter2>
<counter3>0</counter3>
<counter4>2</counter4>
<counter5>22</counter5>
<counter6>0</counter6>
<counter7>0</counter7>
<counter8>0</counter8>
<counter9>0</counter9>
<counter10>0</counter10>
<counter11>22</counter11>
<counter12>0</counter12>
<counter13>0</counter13>
<counter14>0</counter14>
<counter15>0</counter15>
<counter16>0</counter16>
<insim></insim>
</response>
Powyższy plik XML informuje pomiędzy kolejnymi tagami o:
- prod_name – Nazwa produktu,
- out – Stan wszystkich wyjść,
- on – Załączenie wyjścia (w trybie astabilnym można definiować cykliczne załączanie i wyłączanie się wyjścia: w tagu out naprzemiennie zmienia się stan jednego wyjścia, natomiast w tagu on informacja o załączeniu wyjścia jest sygnalizowana jako "1"),
- in – Stan wejść,
- counter[x] – Stan wejścia zliczającego (dotyczy zarówno wejść, jak i wyjść).
Informacja
Reset licznika stanu wejść można przeprowadzić z poziomu przeglądarki naciskając przycisk RESET
Wskazówka
Dla modułów Lantick posiadających wejścia i wyjścia, numery wejść zaczynają się od:
PE-2-2 x=3,4
PE-4-4 x=5,6,7,8
Wizualizacja
Informacja
Urządzenie umożliwia prezentację stanów wejść oraz wyjść na wybranym przez użytkownika tle, dzięki czemu istnieje możliwość sterowania wyjściami oraz kontroli wejść na odwzorowanym graficznie budynku.
W zakładce Administration zaznacz opcję Enable Graphic Mode Config i zatwierdź wybór przyciskiem Save.
- Zapisanie ustawień pozwala na zmianę grafiki tła oraz rozmieszczanie ikon wejść i wyjść,
- Przejście do trybu graficznego umożliwia zakładka Map.
Tło
Aby zmienić grafikę tła, należy:
- Otworzyć ustawienia w zakładce Map,
- Kliknąć przycisk Przeglądaj w celu wybrania pliku obrazu z dysku komputera,
- Załadować plik do pamięci urządzenia za pomocą opcji Upload JPG (w czasie ładowania pliku kursor przyjmie postać klepsydry),
- Po zakończeniu ładowania należy odświeżyć zawartość przeglądarki (klawisz F5).
Wskazówka
Urządzenie akceptuje pliki w formacie JPG.
Po wybraniu odpowiedniego tła, można zmienić rozmieszczenie ikon wejść i wyjść. Przesuń kursor na wybraną ikonę, naciśnij i przytrzymaj lewy przycisk myszy i przenieś ikonę na wybrane współrzędne. Zatwierdź zmiany przyciskiem Save.
Kliknięcie na symbol danego wyjścia powoduje zmianę jego stanu. Kolor tła pod nazwą wyjścia prezentuje stan styku przekaźnika (zielony - zwarty, czerwony - rozwarty).
Picture Mode
Informacja
Urządzenie umożliwia zmianę podkładu graficznego w zależności od stanu wybranego kanału.
Aby zmiana podkładu graficznego działała poprawnie, konieczne jest utworzenie jednego pliku podzielonego na 2 obrazki umieszczone jeden pod drugim. Lantick, w zależności od stanu kanału, wyświetla górną lub dolną połowę obrazu.
Wybór kanału umożliwia pole Picture Mode na dole strony zakładki MAP:
- 1 Picture – Pojedynczy obrazek (wyświetlany cały),
- 2 Pictures – Select by Channel X – Wybór trybu dwóch obrazów przełączanych wejściem lub wyjściem nr X.
Wskazówka
Ustawienie Picture Mode może być wykorzystywane do odwzorowania pracy rolety. Jeśli wyjście jest wyłączone, wyświetla się fragment obrazka przedstawiający zamkniętą roletę, a w momencie włączenia wyjścia, obrazek zostaje zmieniony na fragment obrazujący otwartą roletę.
Ostrzeżenie
Po dokonaniu zmian należy odznaczyć w menu Administration opcję EnableGraphic Mode Config i zatwierdzić wybór przyciskiem Save.
Konfiguracja kanałów wyjściowych
Infromacja
Urządzenie pozwala na zmianę nazw kanałów wyjściowych oraz ustawienie ich trybu pracy. Wszystkie te ustawienia znajdują się w zakładce CHANNEL.
- Name – Użytkownik może nadać nazwę dla danego kanału wyjściowego (do 15 znaków),
- Output mode – Wybór trybu pracy dla wybranego kanału wyjściowego:
- Disable – Wyłącz kanał, brak aktywności,
- Bistable – Tryb bistabilny, przekaźnik pozostaje w jednym stanie (załączony lub wyłączony),
- Astable – Tryb cykliczny (astabilny), przekaźnik załącza się i wyłącza w zadanych odstępach czasu (Time On i Time Off),
- Time based – Tryb jednokrotnego wyzwolenia, wyjście uruchamia się po zadanym czasie (Time Off) i pozostaje aktywne przez określony czas (Time On),
- Shutter – Tryb sterowania roletami, łączy dwa przekaźniki w grupę, co zapobiega jednoczesnemu załączeniu obu przekaźników,
- Comm Monitor – Tryb testowy do monitorowania działania wyjścia.
- Power on state – Ustal stan kanału wyjściowego po ponownym uruchomieniu urządzenia:
- Off – Kanał wyjściowy wyłączony,
- On – Kanał wyjściowy włączony,
- Last state – Kanał wyjściowy przyjmuje stan, jaki miał przed wyłączeniem zasilania.
- Invert out – Odwrócenie stanu wyjścia. Zmiana normalnie otwartego (NO) na normalnie zamknięte (NC).
Wyjaśnienie poszczególnych trybów (Output mode) kanału wyjściowego:
- Bistable: Przekaźnik przełącza się między dwoma stabilnymi stanami – włączony lub wyłączony,
- Astable: Kanał działa cyklicznie, przekaźnik naprzemiennie włącza się i wyłącza według ustawionych czasów (Time On i Time Off),
- Time Based: Wyjście działa zgodnie z poniższymi zasadami:
- Gdy Time On > 0 oraz Time Off > 0, wyjście uruchomi się po czasie Time Off i pozostanie aktywne przez czas Time On,
- Gdy Time On > 0 oraz Time Off = 0, wyjście uruchomi się na czas Time On, a następnie wyłączy,
- Gdy Time On = 0 oraz Time Off > 0, wyjście uruchomi się po czasie Time Off.
- Shutter: Ten tryb łączy dwa przekaźniki w grupę, co pozwala na bezpieczne sterowanie roletami, zapobiegając jednoczesnemu załączeniu obu przekaźników. Dwa kanały wyjściowe są używane do sterowania jedną roletą,
- Full move time: Czas potrzebny do pełnego otwarcia lub zamknięcia rolety,
- Half move time: Czas potrzebny do połowicznego otwarcia lub zamknięcia rolety.
- Comm Monitor: Funkcja pozwala na monitorowanie komunikacji pomiędzy dwoma urządzeniami Lantick. Jest to przydatne narzędzie w przypadku, gdy jedno urządzenie wysyła ramki do drugiego, a monitorowanie odbywa się na urządzeniu odbierającym te ramki.
- Działanie funkcji:
- Połączenie dwóch urządzeń Lantick:
Dwa urządzenia Lantick muszą być połączone w taki sposób, że jedno wysyła ramki do drugiego. - Włączenie opcji Comm Monitor:
Funkcja ta musi być włączona na urządzeniu, które będzie monitorować komunikację. - Monitorowanie ramki:
Urządzenie odbierające monitoruje kanał, na którym oczekuje przyjścia ramek. - Brak odbioru ramek:
Jeśli przez określony czas (domyślnie 30 sekund) nie zostaną odebrane ramki na monitorowanym kanale (np. kanał 4), funkcja Comm Monitor automatycznie uruchomi sygnał na innym kanale (np. kanał 1). - Powiadomienie o braku komunikacji:
W przypadku braku odbioru ramek przez określony czas, na kanale 1 może zostać załączony sygnał. Może to być np. dzwonek lub inne urządzenie sygnalizujące problem z połączeniem.
- Połączenie dwóch urządzeń Lantick:
- Działanie funkcji:
- Disable: Kanał jest wyłączony, brak aktywności przy sterowaniu protokołami.
Wskazówka
Po dokonaniu zmian, należy zapisać zmiany przyciskiem Save
Konfiguracja kanałów wejściowych
Informacja
Kanały wejściowe umożliwiają nadanie własnych nazw oraz konfigurację przesyłania ich stanu do zewnętrznego modułu.
- Name – Nazwa kanału wejściowego (maksymalnie 15 znaków)
- Destination channel – Numer kanału w urządzeniu zdalnym, który ma zostać aktywowany. Stan kanału wyjściowego będzie dokładnie odwzorowany w kanale wejściowym.
- C2O HoldOn time – Czas, po jakim zostanie wyzwolone zdarzenie "HoldOn" dla usługi Comm2Other.
- C2O Repetition – Częstotliwość, z jaką moduł będzie ponawiał wysyłanie ostatniej wyzwolonej ramki w usłudze Comm2Other. Na przykład, ramka "HoldOn" będzie cyklicznie przesyłana, aż do momentu pojawienia się ramki "HoldOff", która następnie przejmie cykliczne wysyłanie.
- Counter input filter – Filtr sygnału wejściowego, który może być użyty do eliminacji zakłóceń.
- Invert in – Odwrócenie stanu kanału wejściowego, zmieniając jego konfigurację z NO (normalnie otwarte) na NC (normalnie zamknięte).
Wskazówka
Po dokonaniu zmian, należy zapisać zmiany przyciskiem Save
Tryb symulacji wejść
W celu przetestowania działania systemu sterowania, można skorzystać z trybu symulacji wejść. Aby włączyć ten tryb, wpisz w przeglądarce następujący adres: http://adres_ip/stat.php?insim=1.
W trybie symulacji możliwe jest aktywowanie wejść poprzez kliknięcie na ikonę danego wejścia. Wejście pozostanie aktywne, dopóki przytrzymujesz lewy przycisk myszy na ikonie.
Aby wyłączyć tryb symulacji, wpisz w przeglądarce następujący adres: http://adres_ip/stat.php?insim=0
Wskazówka
Zasób names.xml umożliwia podgląd nazw kanałów wejściowych i wyjściowych.
<response>
<ch1>Wyłącznik 1</ch1>
<ch2>Wyłącznik 2</ch2>
<ch3>Lampa</ch3>
<ch4>Wentylator</ch4>
<ch5/>
<ch6/>
<ch7/>
<ch8/>
<ch9/>
<ch10/>
<ch11/>
<ch12/>
<ch13/>
<ch14/>
<ch15/>
<ch16/>
<prod>LantickPro-2-2</prod>
<user>Test1</user>
</response>
Powyższy plik XML informuje pomiędzy kolejnymi tagami o:
- ch – Nazwa kanału urzązenia Lantick zdefioniowana przez użytkownika,
- prod – Nazwa produktu,
- user – Nazwa modułu zdefiniowana przez użytkownika.
Konfiguracja serwera SNMP
Informacja
Moduł wyposażony jest w serwer SNMP v2c. Załączenie funkcji jest możliwe w zakładce Administration → Services → Enable SNMP. Protokół SNMP umożliwia pobranie i ustawienie stanu wyjść oraz pobranie stanów wejść i liczników.
Wskazówka
Plik MIB opisujący strukturę jest do pobrania w zakładce SNMP Download MIB file.
Aby skorzystać z protokołu SNMP konieczne jest zapisanie pliku MIB, klikając prawym przyciskiem myszy na link Download MIB file. Następnie należy wybrać opcję Zapisz link jako. Następnie należy użyć odpowiedniego programu np. MIB Browser. Po uruchomieniu programu trzeba załadować pobrany plik MIB.
Kolejnym etapem jest wpisanie adresu IP urządzenia (Domyślne IP: 192.168.111.15) i wyboru odpowiedniej operacji. Pole OID można zostawić puste, aby program wyświetlił wszystkie elementy w tabeli.
W tabeli są przedstawione stany poszczególnych wejść, wyjść, liczniki oraz główne informacje o module Lantick. Aby podejrzeć konkretny fragment z tabeli drzewa MIB należy podwójnie kliknąć na wybrany element. Po lewej stronie okna programu wyświetla się ścieżka dostępu.
Struktura OID w drzewie MIB
Każdy element w drzewie MIB (Management Information Base) ma przypisany unikalny OID (Object Identifier). OID to ścieżka identyfikująca dany element w strukturze, która jest tworzona przez kolejne cyfry oddzielone kropkami. Oto przykładowa struktura OID:
Przykład podstawowego OID:
- OID:
iso.org.dod.internet→.1.3.6.1
Kolejne cyfry w OID określają podfoldery w strukturze drzewa MIB. Poniżej znajdują się przykłady OID dla poszczególnych folderów i funkcji:
Przykłady OID dla folderów:
- Folder
inveo:.1.3.6.1.4.1.42814 - Folder
Lantick:.1.3.6.1.4.1.42814.28 - Folder
control:.1.3.6.1.4.1.42814.28.3 - Folder
channels:.1.3.6.1.4.1.42814.28.3.1
Przykłady OID dla kanałów:
- Wejście do kanałów:
.1.3.6.1.4.1.42814.28.3.1.1
Funkcje OID
-
Ostatnie cyfry OID wskazują funkcje przypisane do danego kanału. Przykłady takich funkcji:
-
Włączanie/wyłączanie wyjścia:
-
OID:
.1.3.6.1.4.1.42814.28.3.1.1.2.x -
Gdzie
xoznacza numer wyjścia (liczba zaczynająca się od 0) -
Sprawdzanie stanu cewki:
-
OID:
.1.3.6.1.4.1.42814.28.3.1.1.3.x -
Gdzie
xoznacza numer wyjścia (liczba zaczynająca się od 0) -
Sprawdzanie stanu wejścia:
-
OID:
.1.3.6.1.4.1.42814.28.3.1.1.4.x -
Gdzie
xoznacza numer wejścia (liczba zaczynająca się od 0) -
Sprawdzanie wejścia licznikowego:
- OID:
.1.3.6.1.4.1.42814.28.3.1.1.5.x - Gdzie
xoznacza numer wejścia (liczba zaczynająca się od 0)
Aby załączyć wyjście nr 2 konieczne jest skonfigurowanie ustawień zaawansowanych. W tym celu należy nacisnąć przycisk Advanced znajdujący się obok adresu IP urządzenia.
Wskazówka
Do pola Read Community oraz Write Community należy wpisać wartości z zakładki SNMP.
Po wykonaniu powyższych czynności można ustawić wyjście nr 2 jako włączone. Należy zaznaczyć wiersz channelOn.1 (channel 1, ponieważ wyjścia są numerowane od 0) i wciskając prawy przycisk myszy wybrać opcję Set.
Kolejnym etapem jest wpisanie wartości 1 w polu Value i zatwierdzenie przyciskiem OK.
Protokoły komunikacji i administracja
Informacja
Menu Administration umożliwia Użytkownikowi skonfigurowanie usług, które mają zostać włączone/wyłączone w urządzeniu oraz zmianę hasła dostępu.
Nazwa modułu
Każdy moduł może mieć nadaną unikalną nazwę służącą do identyfikacji.
Zmiana hasła
Aby zmienić hasło, należy w polu Current Password wpisać aktualne hasło. W polach New Password oraz Re-type Password należy wpisać nowe hasło i zatwierdzić przyciskiem Save Config.
User Password
Zmiana hasła użytkownika (dostęp tylko do strony Home) (Login: user):
- New Password – nowe hasło,
- Re-type Password – powtórzenie nowego hasła.
Admin Password
Zmiana hasła administratora (dostęp do wszystkich ustawień) (Login: admin):
- Current Password – aktualne hasło,
- New Password – nowe hasło,
- Re-type Password – powtórzenie nowego hasła.
Ustawienia usług
Urządzenie umożliwia wybór, jakie usługi mają być dostępne. Zaznaczenie pola wyboru obok nazwy usługi i naciśnięcie przycisku Save aktywuje wybraną usługę.
- Enable User Password – Załączenie obsługi hasła użytkownika,
- Enable Admin Password – Załączenie obsługi hasła administratora,
- Enable Program Access – Załączenie obsługi przez programy zewnętrzne,
- Enable Modbus TCP Server – Załączenie serwera Modbus TCP,
- Enable SNMP – Załączenie agenta SNMP,
- Enable Destination Client – Usługa przekazywania stanu wejść/wyjść do innego modułu (tryb mostu),
- Enable Comm2Other Module – Załączenie komunikacji na adresie multicastowym (IP:224.0.23.12 port 3671),
- Enable Inveo Dashboard – Usługa sterowania przez chmurę http://dash.inveo.com.pl,
- Enable TFTP Bootloader – Załączenie bootloadera,
- Enable Remote Network Config – Włączenie zdalnej konfiguracji (program Discoverer),
- Enable Graphic Mode Config – Konfiguracja trybu graficznego z menu Map,
- Disable LED – Wyłącza diody LED na module – w momencie naciśnięcia przycisku reset diody będą świecić 5 minut, a następnie zostaną wyłączone (Lantick PE-4-4, PE-0-8, PE-8-0, PE-0-16, PE-16-0),
- LED Status 1/2 – Umożliwia użytkownikowi wybór kanału, którego stan ma odwzorowywać dioda LED na przednim panelu urządzenia (Lantick PE-2-2, PE-0-4).
Uwaga!
TFTP Bootloader podczas normalnej pracy powinien być wyłączony. Załączenie powinno nastąpić dopiero przed aktualizacją oprogramowania.
Protokoły komunikacyjne
Urządzenie posiada następujące możliwości sterowania:
- Wbudowaną stronę www,
- Protokół KNX/IP,
- Usługa dostępu Inveo Dashboard http://dash.inveo.com.pl,
- Protokół SNMP,
- Protokół Modbus TCP,
- Protokół HTTP,
- Program z linii komend dla systemu Windows,
- Program Linux,
- Telefon/tablet z systemem Android (np.: aplikacja HTTP Shortcuts – w aplikacji należy ustawić żądanie HTTP, które korzysta z dash.inveo.com.pl i wysyła komendę do Lanticka).
Komunikacja 1 do 1 – przedłużacz LAN
Moduły wyposażone w wejścia mogą przesyłać informacje do urządzeń posiadających wyjścia, aby reagować na aktywację tych kanałów. Oznacza to, że gdy kanał wejściowy zostanie aktywowany, moduł automatycznie komunikuje się z odpowiednim urządzeniem (Lantickiem) i aktywuje wybrany kanał wyjściowy. Kiedy kanał wejściowy zostanie wyłączony, odpowiadający mu kanał wyjściowy również się dezaktywuje. Ta funkcjonalność jest przydatna, gdy konieczne jest odwzorowanie stanu wejścia na wyjściu.
Konfiguracja
1. Ustawienia w module wejściowym
W module Lantick z wejściami należy przejść do zakładki Administration i zaznaczyć opcję Enable Destination Client. Następnie uzupełnij następujące pola:
- Destination IP: Wprowadź adres IP urządzenia posiadającego wyjścia,
- Destination Port: Wpisz numer portu, na którym Lantick nasłuchuje (domyślnie jest to port 9761).
2. Przypisanie kanałów
Przejdź do zakładki Channel i wybierz, które wyjście ma zostać aktywowane w momencie, gdy dany kanał wejściowy zostanie uruchomiony.
3. Ustawienia w module wyjściowym
W module wyjściowym otwórz zakładkę Administration i zaznacz opcję Enable Program Access.
Taka konfiguracja umożliwia bezpośrednią i płynną komunikację między modułami, zapewniając natychmiastową reakcję wyjść na zmiany stanów wejściowych.
Protokoły komunikacyjne
Urządzenia można połączyć w sieć, co umożliwia tworzenie zaawansowanych systemów sterowania. Ustawienia komunikacji urządzeń „każdy z każdym” można dokonać w zakładce Comm2Other. Moduły posiadają narzędzia ułatwiające komunikację między sobą. Można skorzystać z następujących protokołów:
- TCP,
- UDP,
- KNX,
- HTTP GET.
Comm2Other – KNX
Moduł Lantick jest wyposażony w obsługę protokołu kompatybilnego z KNX-IP w trybie Routing. Protokół ten przeznaczony jest do sterowania automatyki domowej ("domy inteligentne") i biurowej.
Sieć jest zbudowana w konfiguracji "każdy z każdym" bez wydzielonego urządzenia nadrzędnego, choć istnieje możliwość dodania takiego urządzenia w przypadku bardziej wymagających rozwiązań. Awaria jednego z modułów nie powoduje paraliżu działania całej instalacji. Komunikacja między modułami odbywa się przez sieć LAN na pakietach rozgłoszeniowych UDP multicast.
Konfiguracja i działanie polegają na tym, że wybrane urządzenia odbiorcze (np. przekaźniki połączone do obwodów lamp, rolety) i wyzwalacze/aktorzy (wejścia, do których podłączone są np. włączniki ścienne) przypisuje się do wspólnej grupy. Każdy kanał wejściowy ma wpisaną komendę oraz adres grupy. Kanał wyjściowy może mieć do odpowiedniej akcji (włącz, wyłącz, zmień stan, załącz z opóźnieniem, roleta) wpisane grupy na jakie ma reagować. Wysłanie przez wejście zapisanego adresu grupy z komendą, powoduje reakcję wszystkich odbiorników, które mają wpisane w sobie ten adres grupy. Każde wejście-wyjście może mieć wpisane kilka różnych adresów, dodatkowo wejścia mogą wysyłać adres na różne zdarzenia takie jak: wciśnięcie przycisku, przytrzymanie, zwolnienie przycisku, a także wysłać predefiniowaną ramkę TCP, UDP i HTTP. Wyjścia mogą być połączone w sekcje do sterownia rolet. System może być rozwinięty o jednostkę centralną do wizualizacji budynku i zdalnego sterowania.
Podgląd wszystkich urządzeń KNX
Przy konfigurowaniu rozbudowanych instalacji przydatna jest funkcja dostępna pod przyciskiem View all modules. Funkcja ta skanuje sieć LAN i wykrywa wszystkie urządzenia firmy Inveo które mają aktywny protokół KNX i zestawia je w jednej tabeli segregując na grupy.
Konwerter formatu ramki
Klikając w przycisk Configurator w zakładce Comm2Other przechodzimy do okna konfiguracji obsługi protokołu KNX. W prawym górnym rogu zakładki znajdują się przyciski:
- Save data – Zapisuje dokonane zmiany, zapis trwa około 10 sekund,
- Clear data – Usuwa aktualne ustawienia,
- Close – Zamyka okno konfiguracji,
- Toggle Frame Format – Zmienia format danych ramki, reprezentacja w kodzie ASCII lub zapis heksadecymalny,
- 1, 2, 3, 4, 5, 6, 7, 8 – Przyciski nawigacyjne, przenoszą w odpowiednie miejsce (na dany nr wejścia/wyjścia danego modułu),
- Calc – Kalkulator pozwalający przeliczyć czas z systemu dziesiętnego na heksadecymalny.
Przykład użycia kalkulatora
Za pomocą kalkulatora możemy przeliczyć 5 sekund na zapis heksadecymalny. Ponieważ podziałka wynosi 0,1 sekundy, wartość 5 sekund to 50 jednostek (50 * 0,1 = 5). W rezultacie, aby zapisać tę wartość w formacie 2-bitowym heksadecymalnym, należy wpisać \x00\x32 w polu ramki.
Format danych wejściowych
Dane wprowadzane do ramki muszą być w formacie \xAB, gdzie:
AB– Wartość w systemie heksadecymalnym, reprezentująca odpowiednią komendę KNX.
Dzięki temu dokładnie określamy, jak wartości są interpretowane przez system, co zapewnia skuteczną obsługę protokołu KNX.
Sterowanie kanałami wyjściowymi
W tabeli wyjść można używać funkcji podstawowych (DPT 1.xxxx) lub funkcji z priorytetem (DPT 2.xxxx).
Użycie funkcji z priorytetem (DPT 2.xxxx) umożliwia zablokowanie funkcji podstawowych.
Jest to użyteczne np. w przypadku:
- Pożaru – Wszystkie rolety mają zostać podniesione i nikt nie może ich opuścić,
- Światło ma zostać włączone/wyłączone i nie chcemy, aby ktokolwiek je wyłączał/włączał.
Komendy KNX
-
ReadState – Adres pozwalający odczytać stan modułu (np. przez zewnętrzny program). Adres przyjmuje wartości
0-31/0-7/0-255, -
On (DPT 1.001) – Załączenie wyjścia – może przyjmować 2 wartości:
\x00– Wyłączenie wyjścia,\x01– Załączenie wyjścia.
-
Off (DPT 1) – Funkcja przeciwna do On (DPT 1.001). Funkcja używana w przypadku, gdy wyłączenie danego urządzenia ma powodować załączenie się innego urządzenia.
-
Invert (DPT 1.012) – Zmiana stanu wyjścia na przeciwny:
\x00– Taka komenda nie spowoduje zmiany stanu wyjścia,\x01– Zmiana stanu wyjścia na przeciwny.
-
Time – Czasowe włączenie/wyłączenie wyjścia:
\x00– Wyłączenie przekaźnika,\x01– TonMSB TonLSB ToffMSB ToffLSB – Włączenie przekaźnika na ustalony czas po zakończeniu określonego opóźnienia. Czas ten jest wyrażony w jednostkach równych 0,1 sekundy zapisanych w systemie szesnastkowym (hex).
Przykład
Włączenie przekaźnika na 60 sekund (wartość 600), po 8 sekundowym opóźnieniu (wartość 80):
- dec 600 hex 0x02 0x58
- dec 80 hex 0x00 0x50
Składnia:
Wskazówka
Aby zaprogramować włączenie przekaźnika bez opóźnienia wystarczy nie wprowadzać wartości dla Toff, np.: \x01\x02\x58.
-
On Control (DPT 2.001) – Funkcja załączenia wyjścia z priorytetem – może przyjmować 4 wartości:
\x00– Wyłączenie wyjścia – działa jak On (DPT 1.001),\x01– Załączenie wyjścia – działa jak On (DPT 1.001),\x02– Wysłanie takiej komendy spowoduje wyłączenie wyjścia z priorytetem – odblokowanie wyjścia (skasowanie flagi blokady) jest możliwe po wysłaniu\x00lub\x01. Włączyć wyjście można poprzez\x03lub ręcznie (flaga blokady nadal będzie aktywna),\x03– Załączenie wyjścia z priorytetem – odblokowanie wyjścia (skasowanie flagi blokady) jest możliwe tylko po wysłaniu\x00,\x01. Wyłączyć wyjście można poprzez\x02lub ręcznie (flaga blokady nadal będzie aktywna).
-
Off Control (DPT 2.001) – Funkcja z priorytetem przeciwna do On Control (DPT 2.001).
-
Invert (DPT 2.012) – Zmiana stanu na przeciwny z priorytetem, przyjmuje 4 wartości:
\x00– Taka komenda nie spowoduje zmiany stanu,\x01– Zmiana stanu na przeciwny,\x02– Wysłanie takiej komendy zablokuje wyjście z priorytetem w jego aktualnym stanie (włączone bądź wyłączone) – odblokowanie wyjścia (skasowanie flagi blokady) jest możliwe tylko po wysłaniu\x00lub\x01,\x03– Wysłanie takiej komendy spowoduje zmianę stanu na przeciwny z priorytetem – odblokowanie wyjścia (skasowanie flagi blokady) jest możliwe tylko po wysłaniu\x00lub\x01.
-
Scene Control (DPT 18.001) – Zapamiętanie ustawień danej sceny np. wyjście nr 1, 3 ma być załączone, nr 2 wyłączone natomiast nr 4 jest nieistotne.
Zapamiętujemy na grupie 1/1/1 wyjście nr 1, 2, 3 (w linii Scene control wpisujemy grupę 1/1/1).
Komenda zapamiętania/odczytu sceny: \xab, gdzie
- a:
- Wartość „0” odpowiada za aktywację sceny z pamięci urządzenia,
- Wartość „8” odpowiada za zapis aktualnej sceny do pamięci urządzenia.
- b: numery kolejnych scen, max ilość 16 scen do zapamiętania, przyjmują wartości 0-F.
Przykład
\x82 – Zapis sceny numer 3,
\x0A – Odczyt sceny numer 11.
Scene Control jest wykorzystywane w przypadku częstych ustawień, np. po zakończonym dniu pracy stanowiska mają zostać odcięte od prądu – wszystkie wyjścia wyłączone, w danym pomieszaniu o 5:55 ma zostać włączone światło na suficie, naścienne i zasilanie do komputera – wystarczy użyć funkcji Scene control lub skorzystać ze sterownika czasowego Inveo Cronos, który sam o danej godzinie załączy/wyłączy zasilanie.
Do każdego kanału wyjściowego można przypisać do 4 różnych grup (w tabeli kolumny o nazwie Group 1-4). Kanał wyjściowy odpowie wybraną komendą dla każdej z przypisanych grup.
Komendy KNX dla konfiguracji kanału w trybie rolety/bramy
-
Step (DPT 1.007) – Funkcja zwiększająca/zmniejszająca otwarcie rolety o krok:
\x00– W górę,\x01– W dół.
-
Up/Down (DPT 1.008) – Funkcja otwierająca/zamykająca roletę:
\x00– Otwarcie rolety (całkowite) ponowne wysłanie komendy nie spowoduje zatrzymania otwierania rolety,\x01– Zamknięcie rolety (całkowite) ponowne wysłanie komendy nie spowoduje zatrzymania zamykania rolety.
-
Stop (DPT 1) – Funkcja zatrzymująca roletę:
\x00– Zatrzymanie rolety,\x01– Zatrzymanie rolety.
-
Up/Down with Stop (DPT 1) – Funkcja otwierająca/zamykająca roletę z możliwością jej zatrzymania – jeżeli komenda zostanie wysłana jednokrotnie to roleta zacznie się otwierać/zamykać, ponowne wysłanie komendy spowoduje zatrzymanie rolety:
\x00– Otwarcie rolety/zatrzymanie rolety,\x01– Zamknięcie rolety/zatrzymanie rolety.
-
Gate (DPT 1) – Funkcja naprzemiennie otwierająca/zamykająca roletę/bramę z możliwością jej zatrzymania. Ponowne wysłanie komendy przed zakończeniem procesu otwierania/zamykania rolety/bramy spowoduje wyłączenie wyjścia, czyli zatrzymanie rolety/bramy:
\x00– Zatrzymanie rolety/bramy,\x01– Otwarcie/zatrzymanie/zamknięcie rolety/bramy – jeżeli przed zakończeniem procesu otwierania/zamykanie rolety komenda zostanie ponownie wysłana, wyjście zostanie wyłączone.
-
Step Control (DPT 2.007) – Funkcja Step (DPT 1.007) z priorytetem. Funkcja zwiększająca/zmniejszająca otwarcie rolety o krok:
\x00– W górę,\x01– W dół,\x02– W górę z priorytetem (zablokowanie sterowania DPT1.X),\x03– W dół z priorytetem (zablokowanie sterowania DPT1.X).
Odblokowanie wyjścia (skasowanie flagi blokady) jest możliwe tylko po wysłaniu \x00 lub \x01.
- Up/Down Control (DPT 2.008) – Funkcja Up/Down (DPT 1.008) z priorytetem. Funkcja otwierająca/zamykająca roletę:
\x00– Otwarcie rolety (całkowite), ponowne wysłanie komendy nie spowoduje zatrzymania otwierania rolety,\x01– Zamknięcie rolety (całkowite) ponowne wysłanie komendy nie spowoduje zatrzymania zamykania rolety,\x02– Otwarcie rolety (całkowite) z priorytetem (zablokowanie sterowania DPT1.X),\x03– Zamknięcie rolety (całkowite) z priorytetem (zablokowanie sterowania DPT1.X).
Odblokowanie wyjścia (skasowanie flagi blokady) jest możliwe tylko po wysłaniu \x00 lub \x01.
- Stop Control (DPT 2) – Funkcja Stop (DPT 1) z priorytetem – funkcja zatrzymująca roletę:
\x00– Zatrzymanie rolety,\x01– Zatrzymanie rolety,\x00– Zatrzymanie rolety z priorytetem (zablokowanie sterowania DPT1.X),\x01– Zatrzymanie rolety z priorytetem (zablokowanie sterowania DPT1.X).
Odblokowanie wyjścia (skasowanie flagi blokady) jest możliwe tylko po wysłaniu \x00 lub \x01.
- Up/Down with Stop Ctrl (DPT 2) – Funkcja Up/Down with Stop (DPT 1) z priorytetem. Funkcja otwierająca/zamykająca roletę z możliwością jej zatrzymania – jeżeli komenda zostanie wysłana jednokrotnie to roleta zacznie się otwierać/zamykać, ponowne wysłanie komendy spowoduje zatrzymanie rolety:
\x00– Otwarcie rolety/zatrzymanie rolety,\x01– Zamknięcie rolety/zatrzymanie rolety,\x02– Otwarcie rolety/zatrzymanie rolety z priorytetem (zablokowanie sterowania DPT1.X),\x03– Zamknięcie rolety/ zatrzymanie rolety z priorytetem (zablokowanie sterowania DPT1.X),
Odblokowanie wyjścia (skasowanie flagi blokady) jest możliwe tylko po wysłaniu \x00 lub \x01.
- Gate Control (DPT 2) – Funkcja Gate (DPT 1) z priorytetem. Funkcja naprzemiennie otwierająca/zamykająca roletę/bramę z możliwością jej zatrzymania. Ponowne wysłanie komendy przed zakończeniem procesu otwierania/zamykania rolety/bramy spowoduje wyłączenie wyjścia, czyli zatrzymanie rolety/bramy:
\x00– Zatrzymanie rolety/bramy,\x01– Otwarcie/zatrzymanie/zamknięcie rolety/bramy – jeżeli przed zakończeniem procesu otwierania/zamykanie rolety komenda zostanie ponownie wysłana, wyjście zostanie wyłączone,\x02– Zatrzymanie rolety/bramy z priorytetem (zablokowanie sterowania DPT1.X),\x03– Otwarcie/zatrzymanie/zamknięcie rolety/bramy z priorytetem (zablokowanie sterowania DPT1.X),
Odblokowanie wyjścia (skasowanie flagi blokady) jest możliwe tylko po wysłaniu \x00 lub \x01.
-
Blind Control (DPT 3.008) – Funkcja otwierająca/zamykająca/zatrzymująca roletę:
\x00– Zatrzymanie rolety,\x07– Otwarcie rolety,\x0F– Zamknięcie rolety.
-
Percentage 0-100% (DPT 5.001) – Procentowe otwarcie rolety 0-100%, aby roleta była otwarta na około 50 procent należy 50 zapisać w systemie hex 50dec-32hex.
\xCC– Procentowe otwarcie rolety, gdzie CC procenty (0-100%) wyrażone w systemie szesnastkowym.
-
Value 0-255 (DPT 5.004) – Otwarcie rolety 0-255: dla 0 - roleta zamknięta, 255 - roleta całkowicie otwarta. Aby roleta była otwarta na około 70 procent należy wyliczyć 70% z 255 = 178,5 – zaokrąglając w dół zamieniamy na system szesnastkowy: 178dec=B2hex.
\xCC– Otwarcie rolety 0-255 (0-100%), CC wyrażone w systemie szesnastkowym.
-
Scene Control (DPT 18.001) – Zapamiętanie ustawień danej sceny.
Zapamiętujemy na grupie 1/1/1 ustawienia rolet nr 1, 2, 3 (w linii Scene control wpisujemy grupę 1/1/1).
Komenda zapamiętania/odczytu sceny: \xab, gdzie:
- a: wartość „0” odpowiada za aktywację sceny z pamięci urządzenia wartość „8” odpowiada za zapis aktualnej sceny do pamięci urządzenia
- b: numery kolejnych scen, max ilość 16 scen do zapamiętania, przyjmują wartości 0-F.
Przykład
\x82 – Zapis sceny numer 3,
\x0A – Odczyt sceny numer 11.
Konfiguracja wyzwalaczy – kanałów wejściowych
- ReadState – Adres pozwalający odczytać stan (np. poprzez zewnętrzny program) adres przyjmuje wartości 0-31/0-7/0-255,
Moment wysłania ramki zależy od przypisanej funkcji:
- On 0 – Funkcja wykrywająca zbocze rosnące (zostanie wywołana w momencie pojawienia się stanu wysokiego na wejściu),
- Off 0 – Funkcja wykrywająca zbocze opadające, ale tylko wtedy, jeśli stan wysoki na wejściu trwał krócej niż czas określony w parametrze C2O Hold On Time (wywołany w momencie zaniku napięcia na wejściu, w momencie zwolnienia przycisku),
- Hold On 0 – Funkcja reagująca na stan wysoki na wejściu, jeśli trwał on przez czas C2O Hold On time zdefiniowany w zakładce Channel,
- Hold Off 0 – Funkcja wykrywająca zbocze opadające, jednak wywołana tylko wtedy, jeśli stan wysoki na wejściu trwał przynajmniej przez czas określony w parametrze C2O Hold On Time.
Wywołanie określonej funkcji zależne jest od długości impulsu na wejściu. Impuls na wejściu wywołuje zdarzenie opisane jako On. Jeśli impuls trwa nadal i przekroczy czas określony w parametrze C2O Hold On time – wywołana zostaje funkcja opisana jako Hold On. Jeśli przed upłynięciem czasu określonym w parametrze C2O Hold On time nastąpi przerwanie impulsu – wywołana zostanie Off. Jeśli przerwanie impulsu nastąpi po czasie określonym w parametrze C2O Hold On time – wywołana zostanie akcja Hold Off.
Powyższe funkcje mogą wysyłać ramki cyklicznie w zależności od C2O Repetition time. Urządzenie może cyklicznie przesyłać ostatnio wyzwoloną ramkę np. ramka z wyzwalacza HoldOn może być wysyłana cyklicznie (z zadaną częstotliwością) do momentu pojawienia się ramki HoldOff (która będzie następnie cyklicznie wysyłana).
Przykład
Lantick 0-8: Włącznik naścienny monostabilny jest podłączony do wejścia nr 1 (channel 1), w którym funkcja Hold On 0 przypisana jest do grupy 1/1/2, funkcja Off 0 jest przypisana do grupy 1/1/1.
LanTick 8-0: Wyjście nr 3 jest zdefiniowane jako roleta w pokoju gościnnym, a wyjście nr 5 jako oświetlenie. Do wyjścia nr 3 przypisano grupę 1/1/2 jako funkcję Up/Down Control powodującą naprzemienne otwieranie/zamykanie rolety. Do wyjścia nr 5 przypisano grupę 1/1/1, jako funkcję Invert powodującą zmianę stanu na przeciwny (włączanie i wyłączanie światła).
Taka konfiguracja działa następująco:
Krótkie naciśnięcie na włącznik powoduje włączenie bądź wyłączenie światła w pokoju gościnnym, a przytrzymanie włącznika przez chwilę spowoduje zamykanie/otwieranie się rolety w tym pokoju.
Kolumna Protocol
Do wyboru są następujące ustawienia:
- Disable – Kontrola wyłączona,
- TCP – Kontrola poprzez protokół połączeniowy TCP,
- UDP – Kontrola protokołem UDP – multicast,
- KNX – Protokół KNX,
- HTTP GET – Sterowanie przez protokół HTTP metodą GET.
Kolumna IP
W tym oknie należy wpisać adres IP urządzenia docelowego.
Kolumna Port
W przypadku protokołu HTTP GET należy wpisać wartość 80. Dla protokołu TCP/UDP należy wpisać port, na którym nasłuchuje urządzenie zdalne, standardowo 9761.
Kolumna KNX Group
Używając protokołu KNX definiuje się grupy, które są łącznikiem do sterowania wyjściami.
Pole Frame
W tym polu należy wpisać komendy, które mają zostać wysłane.
Przycisk Try!
Przycisk umożliwia przetestowanie wybranej ramki danych.
Adresacja KNX
Komunikacja KNX opiera się na rozgłaszaniu danych dla określonych grup. Kanały wyjściowe reagują na grupy zdefiniowane w kanałach wejściowych. Grupy mogą być przypisane do różnych wyjść.
Adresacja grup w KNX ma format: a/b/c
- a: grupa główna 0-31 (standard określa 0-15),
- b: grupa pośrednia 0-7,
- c: podgrupa 0-255.
np.: 4/0/8
Przykładowe przyporządkowanie grup:
| Pomieszczenie | Obiekt sterowania | Funkcja |
|---|---|---|
| 1 – kuchnia | 0 – oświetlenie | 0 – oświetlenie główne |
| 2 – salon | 1 – gniazdka | 1 – oświetlenie dodatkowe |
| 3 – kotłownia | 2 – rolety | 2 – roleta północna |
| 4 – garaż | 3 – wentylacja | 3 – roleta południowa |
Tworzenie grup:
- 1/0/0 – sterowanie oświetleniem głównym w kuchni,
- 3/0/0 – sterowanie oświetleniem głównym w kotłowni,
- 4/2/3 – sterowanie roletą południową w garażu,
- 2/2/2 – sterowanie roletą północną w salonie.
Przykład połączenia modułów:
Comm2Other – TCP/UDP
W zakładce Comm2Other istnieje możliwość wyboru ustawienia klienta TCP lub UDP. Oznacza to, że urządzenie będące „serwerem” o określonym adresie IP, nasłuchuje na wybranym porcie i moduł Lantick może wysłać do niego komunikat.
Przykład 1 – TCP
Załóżmy, że w sieci znajdują się: Lantick-8-0 (8 wyjść), który jest serwerem oraz Lantick-0-8 (8 wejść), będący klientem.
Ramka z Lantick-0-8 ma zostać wysłana w momencie załączenia wejścia nr 3 na dłużej niż 0.5 sekundy, powodując załączenie wyjścia nr 7 w Lantick-8-0.
Lantick-8-0 (serwer):
adres IP: 192.168.111.16
port TCP/UDP: 9761
Comm2Other Lantick-0-8:
Channel 3:
Ramka jest zapisana w systemie heksadecymalnym: \x0F\x01\x06\x01\x01\x00\x00\x00\x00\x00\x18
Przykład 2 – UDP
Załóżmy, że w sieci znajduje się: Lantick-8-0 (8 wyjść), który jest serwerem oraz Lantick-0-8 (8 wejść), będący klientem.
Ramka z Lantick-0-8 ma zostać wysłana w momencie wyłączenia wejścia nr 7, jeśli wejście było załączone na krócej niż 0.5 sekundy. Spowoduje to załączenie wyjścia nr 5 w Lantick-8-0.
Lantick-8-0 (serwer):
adres IP:192.168.111.16
port TCP/UDP: 9761
Comm2Other Lantick-0-8:
Channel 7:
Ramka jest zapisana w systemie heksadecymalnym: \x0F\x01\x04\x01\x01\x00\x00\x00\x00\x00\x16
Ramka protokołu TCP ma taką samą postać jak ramka protokołu UDP. Różnica polega na tym, że protokół TCP posiada kontrolę transmisji danych.
Comm2Other – HTTP GET
Ustawiając protokół HTTP GET w zakładce Comm2Other można sterować innymi urządzeniami posiadającymi zaimplementowany protokół HTTP. Polega to na tym, że w zależności od aktualnego stanu wejścia urządzenia, zostają wysłane odpowiednie komendy protokołu HTTP, na które zareaguje moduł o zdefiniowanym numerze IP.
Informacja
Do sterowania modułami Lantick nie zaleca się stosowania protokołu HTTP GET – zalecamy wykorzystać protokół UDP
Urządzenie wspiera wyłącznie autoryzację Basic Authentication
Przykład – HTTP GET
Załóżmy, że w sieci znajdują się Lantick PE-0-8 (8 wejść) oraz zewnętrzny system wymagający podania poświadczeń.
Sieć ma działać następująco:
Jeśli zostanie załączone wejście nr 1 w Lantick PE-0-8, urządzenie wyśle ramkę danych do zewnętrznego systemu. Należy pamiętać, że w przypadku korzystania z protokołu HTTP czasami jest konieczne uwierzytelnienie poprzez wpisanie użytkownika i hasła. Uwaga! Login oraz hasło mogą mieć maksymalnie 30 znaków. Dane te wpisuje się w nowej linii.
Zewnętrzny system:
adres IP: 192.168.111.16
port HTTP: 80
login: admin
hasło: admin12
Comm2Other Lantick PE-0-8:
Channel 1:
/stat.php?command=0x001 – Komenda, jaka zostanie wysłana,
admin:admin12 – Uwierzytelnienie login:hasło.
Sterowanie przez chmurę
Inveo dashboard umożliwia sterowanie wyjściami modułu oraz odczyt stanu wejść przez stronę http://dash.inveo.com.pl.
Po aktywacji usługi Enable Inveo Dashboard w zakładce Administration, moduł wysyła na serwer aktualny stan wejść/wyjść.
Aby móc korzystać z Inveo Dashboard konieczne jest utworzenie i aktywowanie konta.
Po wpisaniu w przeglądarce internetowej adresu, należy kliknąć na hiperłącze Załóż konto. W nowym oknie należy wypełnić wszystkie pola i zaznaczyć pole reCAPTCHA.
Po poprawnym wypełnieniu formularza należy kliknąć Załóż. Na podany podczas rejestracji adres e-mail zostanie wysłany mail z linkiem potwierdzającym.
Po zalogowaniu się na konto w serwisie Inveo Dashboard należy dodać urządzenia, których status chcemy widzieć, lub którymi chcemy sterować.
Po kliknięciu przycisku Add device pojawi się okno do wpisania klucza odczytanego z modułu Lantick. Klucz znajduje się w zakładce Administration.
Po naciśnięciu na hiperłącze wyświetli się okno z niezbędnymi danymi.
W celu dodania urządzenia należy wkleić klucz z pierwszego punktu.
Usunięcie urządzenia dokonuje się poprzez wklejenie klucza z drugiego punktu.
Program sterujący z linii komend Windows
W przypadku sterowania z linii komend można wykorzystać program cURL.
W pierwszej kolejności należy włączyć usługę Program Access w zakładce Administration.
Przykład
Odczytanie stanu wyjścia, moduł ma adres 192.168.0.231:
Dostęp do zasobu stat.php wymaga wprowadzenia autoryzacji. W takiej sytuacji komendę poprzedzamy -u login:hasło.
W odpowiedzi urządzenie prześle następujące informacje:
<response>
<prod_name>Lantick</prod_name>
<sv>1.42</sv>
<mac>00:00:00:00:00:00</mac>
<out>00000000</out>
<on>00000000</on>
<in>00000000</in>
<counter1>15</counter1>
<temp1>0</temp1>
</response>
| Sekcja | Opis |
|---|---|
<prod_name>Lantick</prod_name> |
Typ modułu |
<sv>1.42</sv> |
Wersja oprogramowania |
<mac>00:00:00:00:00:00</mac> |
Adres sieciowy modułu |
<out>00000000</out> |
Tryb wyjść |
<on>00000000</on> |
Stan wyjść (Załączone/Wyłączone) |
<in>00000000</in> |
Stan wejść (Załączone/Wyłączone) |
<counter1>0</counter1> |
Licznik |
<temp1>0</temp1> |
Zmierzona temperatura – dotyczy tylko Nano Temp |
Program sterujący Linux
W programie Linux można wykorzystać program cURL:
Wskazówka
Dostęp do zasobu stat.php wymaga wprowadzenia autoryzacji.
Dostęp do zasobów status.xml nie wymaga autoryzacji.
curl -u admin:admin00 "http://192.168.111.15/stat.php" -w "\n" 2>/dev/null | grep 'prod_name' | awk -F "[><]" '/prod_name/{print $3}'
Modbus TCP
Załączenie obsługi protokołu jest możliwe w zakładce Administration > Enable Modbus TCP Protocol. Domyślny port: 502.
Urządzenie obsługuje następujące funkcje Modbus:
- 0x01 Read Coils
- 0x03 Read Holding Register
- 0x05 Write Single Coil
- 0x06 Write Single Register
- 0x0F Write Multiple Coils
- 0x10 Write Multiple Registers
Adresacja Holding Registers
| Adres | Nazwa | R/W | Opis |
|---|---|---|---|
| 1 | T1On | R/W | Czas załączenia wyjścia nr 1 (*100ms) |
| 2 | T1Off | R/W | Czas wyłączenia wyjścia nr 1 (*100ms) |
| 3 | Rel1Mode | R/W | Tryb pracy wyjścia nr 1: 1 – Static 2 – Toggle 3 – TimeBase |
| 4-5 | Counter1 | R/W | 32 bitowa wartość licznika nr 1 |
| 6-10 | Counter2 | R/W | j/w kanał 2 |
| ... | R/W | j/w kanały 3-15 | |
| 76-80 | R/W | j/w kanał 16 | |
| 4000 | T1On | R/W | Czas załączenia wyjścia nr 1 (*100ms) |
| 4000-4007 | TxOn | R/W | Czas załączenia wyjścia nr x (*100ms) dla x=1-8 |
| 4008 | T1Off | R/W | Czas wyłączenia wyjścia nr 1 (*100ms) |
| 4008-4015 | TxOff | R/W | Czas wyłączenia wyjścia nr x (*100ms) dla x=1-8 |
| 4016 | Rel1Mode | R/W | Tryb pracy wyjścia nr 1: 1 – Static 2 – Toggle 3 – TimeBase |
| 4016-4023 | RelxMode | R/W | Tryb pracy wyjścia nr x: dla x=1-8 1 – Static 2 – Toggle 3 – TimeBase |
| 4028-4029 | Counter1 | R/W | 32 bitowa wartość licznika nr 1 |
| 4028-4043 | Counterx | R/W | Stan wejścia licznikowego nr x dla x=1-8 |
Adresacja Coils
| Adres | Nazwa | R/W | Opis [kanał wyjściowy/kanał wejściowy] |
|---|---|---|---|
| 1 | On1 | R/W | Załączenie przekaźnika 1 / Stan wejścia 1 |
| 1-16 | Onx | R/W | Załączenie przekaźnika x / Stan wejścia x dla x=1-16 |
| 17 | Out1 | R | Stan cewki przekaźnika 1 / Stan wejścia 1 |
| 17-32 | Outx | R | Stan cewki przekaźnika x / Stan wejścia x dla x=1-16 |
| 1000 | On1 | R/W | Załączenie przekaźnika 1 / Stan wejścia 1 |
| 1000-1007 | Onx | R/W | Załączenie przekaźnika x / Stan wejścia x dla x=1-8 |
| 1008 | Out1 | R | Stan cewki przekaźnika 1 / Stan wejścia 1 |
| 1008-1015 | Outx | R | Stan cewki przekaźnika x / Stan wejścia x dla x=1-8 |
HTTP GET
Moduły Lantick mają możliwość sterowania za pomocą protokołu HTTP. Polega to na tym, że w zależności od aktualnego stanu urządzenia, można wysyłać odpowiednie komendy protokołu HTTP, na które zareaguje moduł. Aby odczytać aktualny stan modułu można w przeglądarce internetowej odwołać się do podstrony np. http://192.168.111.15/stat.php.
Stan modułu jest również dostępny przez stronę: htttp://IPurządzenia/status.xml. Zasób status.xml służy tylko do odczytu i nie wymaga hasła dostępu. W pliku status.xml nie jest wyświetlana nazwa urządzenia.
Plik XML zawiera wszystkie istotne informacje:
<response>
<prod_name>Lantick-PE-2-2</prod_name>
<user_name>
<out>0000000000000001</out>
<on>0000000000000001</on>
<in>0000000000000000</in>
<counter1>166</counter1>
<counter2>7</counter2>
<counter16>1</counter16>
<insim/>
</response>
| Sekcja | Opis |
|---|---|
<prod_name> Lantick-PE-2-2: </prod_name> |
Typ modułu |
<user_name/> |
Nazwa modułu zdefiniowana przez użytkownika |
<out>0000000000000001</out> |
Aktualny stan wyjść (Załączone/Wyłączone) W tym przypadku wyjście OUT1 jest aktywne. |
<on>0000000000000001</on> |
Stan wyjść (załączony tryb) |
<in>0000000000000000</in> |
Stan wejścia (Aktywne/Nieaktywne) |
<counter1>0</counter1> <counterx>0</counterx> |
Wejścia licznikowe dla x=1-16 |
W module Lantick zastosowano rozwiązanie przeznaczone do sterowania roletami. Dostępne komendy HTTP GET:
| Polecenie | Opis |
|---|---|
http://adres_ip/stat.php?on=x |
Załączenie wyjścia. x= numer wyjścia |
http://adres_ip/stat.php?off=x |
Wyłączenie wyjścia. x= numer wyjścia |
http://adres_ip/stat.php?inv=x |
Zmiana stanu wyjścia na przeciwny. x= numer wyjścia |
http://adres_ip/stat.php?set=87654321 |
Ustawienie wszystkich wyjść. Możliwe opcje: 1 – włączenie 0 – wyłączenie n – zmiana stanu na przeciwny - – bez zmiany stanu |
http://adres_ip/stat.php?cnt=x,y |
Ustawienie wejścia licznikowego x= numer wejścia licznikowego, y- wartość PE-2-2 x=3,4 PE-4-4 x=5,6,7,8 PE-0-8 x=1-8 PE-0-16 x=1-16 |
http://adres_ip/stat.php?on=x&ton=y&toff=z&astab |
Ustawienie wyjścia na tryb astabilny (cyklicznie włączane i wyłączane wyjście). x= numer wyjścia y- czas załączenia z- czas wyłączenia |
http://adres_ip/stat.php?on=x&bistab |
Ustawienie wyjścia na tryb bistabilny x= numer wyjścia |
http://adres_ip/stat.php?on=x&ton=y&toff=z |
Ustawienie wyjścia na tryb timebased (jednorazowe opóźnienie załączenia na określony czas). x= numer wyjścia y- czas załączenia z- opóźnienie załączenia |
http://adres_ip/stat.php?rollup=x |
Podniesienie rolety, gdzie x= numer rolety PE-2-2 x=1 PE-4-4 x=1,2 PE-8-0 x=1,2,3,4 PE-16-0 x=1,2,3,4,5,6,7,8 |
http://adres_ip/stat.php?rolldown=x |
Opuszczenie rolety. x= numer rolety jak wyżej |
http://adres_ip/stat.php?rollus=x |
Podniesienie rolety i stop. x= numer rolety jak wyżej |
http://adres_ip/stat.php?rollds=x |
Opuszczenie rolety i stop. x= numer rolety jak wyżej |
http://adres_ip/stat.php?rollstop=x |
Zatrzymanie rolety. x= numer rolety jak wyżej |
| Polecenie | Opis |
|---|---|
http://adres_ip/stat.php?rollgate=x |
Otwieranie rolety – Stop – Zamykanie rolety x= numer rolety |
http://adres_ip/stat.php?rollpos=x,y |
Otwarcie rolety. x= numer rolety y- wartość procentowa otwarcia PE-2-2 x=1 PE-4-4 x=1,2 PE-8-0 x=1,2,3,4 PE-16-0 x=1,2,3,4,5,6,7,8 |
| Dotyczy tylko modułów Lantick posiadających wejścia cyfrowe | |
http://adres_ip/stat.php?c2o_on=x |
Wysłanie ramki zdefiniowanej w zakładce Comm2Other (numeracja kanałów od 0) dla ramki On. x= numer kanału |
http://adres_ip/stat.php?c2o_off=x |
Wysłanie ramki zdefiniowanej w zakładce Comm2Other (numeracja kanałów od 0) dla ramki Off. x= numer kanału |
http://adres_ip/stat.php?c2o_hon=x |
Wysłanie ramki zdefiniowanej w zakładce Comm2Other (numeracja kanałów od 0) dla ramki Hold On. x= numer kanału |
http://adres_ip/stat.php?c2o_hoff=x |
Wysłanie ramki zdefiniowanej w zakładce Comm2Other (numeracja kanałów od 0) Dla ramki Hold Off. x= numer kanału |
Przykłady sterowania modułem z wykorzystaniem protokołu HTTP:
- Załączenie wyjścia przekaźnikowego OUT2:
http://192.168.111.15/stat.php?on=2 - Zmiana stanu wyjścia przekaźnikowego OUT1 na przeciwny:
http://192.168.111.15/stat.php?inv=1 - Wyłączenie wyjścia przekaźnikowego OUT2:
http://192.168.111.15/stat.php?off=2 - Załączenie wyjścia 1; zanegowanie 2:
http://192.168.111.15/stat.php?set=000000n1 - Ustawienie wartości licznika na 1234 dla kanału 3:
http://192.168.111.15/stat.php?cnt=3,1234 - Wysłanie ramki zdefiniowanej w Comm2Other dla Hold On kanału 5:
192.168.111.15/stat.php?c2o_hon=4
Opis protokołu komunikacji TCP/UDP/IP
Ramka danych dla portu TCP/UDP 9761.
* Chx zwraca 2 bajty:
1 – stan wyjścia,
2 – stan coil lub wejścia.
| Opis | Wartość | Znaczenie |
|---|---|---|
| On/Off | 0 | Off |
| 1 | On | |
| Mode | 1 | Bistabilny |
| 2 | Astabilny | |
| 3 | 1- wyzwolenie | |
| CRC | Suma bajtów |
Moduł standardowo nasłuchuje na porcie TCP/UDP 9761. Przykładowe ramki:
Załączenie wyjścia #1 w trybie static
15 1 0 1 1 0 0 0 0 0 18
0x0F 0x01 0x00 0x01 0x01 0x00 0x00 0x00 0x00 0x00 0x12
Wyłączenie wyjścia #1
15 1 0 1 0 0 0 0 0 0 17
0x0F 0x01 0x00 0x01 0x00 0x00 0x00 0x00 0x00 0x00 0x11
Pobranie wartości licznika wejścia #2
15 12 1 0 0 0 0 0 0 0 28
0x0F 0x0C 0x01 0x00 0x00 0x00 0x00 0x00 0x00 0x00 0x1C
Ustawienie licznika na wejściu licznikowym #2 na wartość 100
15 10 1 100 0 0 0 0 0 0 126
0x0F 0x0A 0x01 0x64 0x00 0x00 0x00 0x00 0x00 0x00 0x7E
Protokół TCP/UDP w sterowaniu programowym
Urządzenia Lantick można sterować programowo przez protokół TCP/UDP, stosując komendy tekstowe. Moduł nasłuchuje na porcie 9761. Obsługiwane są wszystkie komendy dostępne przez protokół HTTP GET.
Na stronie WWW urządzenia, należy przejść do zakładki Administration po czym zaznaczyć opcję Enable Program Access i zatwierdzić przyciskiem Save.
Na port 9761 należy wysłać ciąg znaków zaczynających się od ‘?’ wraz z odpowiednią komendą.
Przykłady
?set=1110n01n – Wysterowanie wszystkich wyjść jednocześnie. Wyjścia nr 2, 6, 7 i 8 zostaną włączone. Wyjścia nr 1 i 4 zmienią swój stan na przeciwny, natomiast wyjścia nr 3 i nr 5 zostaną wyłączone.
?on=7 – Włączenie wyjścia nr 7.
?on=4&bistab – Ustawienie wyjścia nr 4 na tryb Bistabilny oraz włączenie tego wyjścia.
?on=2&ton=1200&toff=6000 – Ustawienie wyjścia nr 2 na tryb TimeBased oraz włączenie wyjścia nr 2 po upłynięciu 10 minut (6000 * 0,1sek) na czas 2 minut.
?rolldown=1 – Opuszczenie rolety numer 1.
?rollgate=3 – Podnoszenie rolety nr 3 – Zatrzymanie rolety – Opuszczanie rolety.
Przykłady zastosowania
Przykład konfiguracji połączenia mostowego między dwoma modułami Lantick
Cel: Skonfigurowanie dwóch modułów Lantick do współpracy, gdzie jedno urządzenie działa jako nadajnik, a drugie jako odbiornik, z połączeniem przez port TCP/IP.
Instrukcja wykonania
Konfiguracja pierwszego modułu (nadajnika):
- Dla pierwszego urządzenia, które będzie pełnić rolę nadjnika, ustaw adres IP:
192.168.111.15 - Wejdź w zakładkę Administration i w polu Destination IP ustaw adres IP sterownika (pierwszego modułu), czyli
192.168.111.16 - W polu Port ustaw wartość:
9761
- W zakładce Channel, przejdź do Channel 1 i ustaw w polu Dest wartość
dest 1
Informacja
Oznacza to, że Wejście 1 w module 192.168.111.15 będzie odpowiedzialne za wyzwolenie Wyjścia 1 w module 192.168.111.16.
- Następnie, w zakładce Channel, przejdź do Channel 2 i ustaw w polu Dest wartość
dest 2
Informacja
Oznacza to, że Wejście 2 w module 192.168.111.15 będzie odpowiedzialne za wyzwolenie Wyjścia 2 w module 192.168.111.16.
Konfiguracja drugiego modułu (odbiornika):
Dla drugiego urządzenia które będzie pełnić rolę odbiornika, ustaw adres IP 192.168.111.15
Testowanie działania
Po skonfigurowaniu obu modułów, przejdź do testowania:
- Wyzwól Wejście 1 w module 192.168.111.15 (np. za pomocą przycisku lub zewnętrznego sygnału),
- Sprawdź, czy Wyjście 1 w module 192.168.111.16 zostało aktywowane,
- Wyzwól Wejście 2 w module 192.168.111.15 i sprawdź, czy Wyjście 2 w module 192.168.111.16 zostało aktywowane.
Podsumowanie działania
Dzięki tej konfiguracji, po wyzwoleniu wejść w module 192.168.111.15, odpowiednie wyjścia w module 192.168.111.16 zostaną automatycznie aktywowane, co umożliwia łatwe połączenie dwóch urządzeń w systemie automatyki.
Wskazówka
Do przetestowania działania układu możesz wykorzystać tryb symulacji wpisując w przeglądarce: http://nr_ip/stat.php?insim=1
Opis
Połączenie mostowe między dwoma modułami Lantick pozwala na tworzenie złożonych systemów automatyki, w których jedno urządzenie steruje wyjściami na podstawie sygnałów otrzymanych z drugiego urządzenia. Dzięki tej konfiguracji urządzenia mogą współpracować w sposób bezprzewodowy lub przewodowy, umożliwiając automatyczne aktywowanie wyjść w odpowiedzi na zewnętrzne sygnały wejściowe.
Przykład podłączenia silnika rolety do modułu PE-2-2
Cel: Sterowanie roletą za pomocą urządzenia Lantick PE-2-2, przy użyciu przekaźników do otwierania i zamykania rolety. Konfiguracja obejmuje również ustawienie czasu pełnego ruchu (Full Move Time), który jest kluczowy do prawidłowego działania systemu.
Instrukcja wykonania
-
Podłączenie silnika rolety do modułu PE-2-2:
- Upewnij się, że silnik rolety jest prawidłowo podłączony do urządzenia Lantick PE-2-2,
- Silnik rolety musi być podłączony do odpowiednich wyjść przekaźnikowych w module, np. do Wyjścia 1 i Wyjścia 2,
- Wyjście 1 będzie odpowiadać za otwieranie rolety, a Wyjście 2 za jej zamykanie.
-
Konfiguracja czasu pełnego ruchu rolety:
- W panelu sterowania urządzenia PE-2-2, przejdź do zakładki Channel Configuration,
- Wybierz odpowiedni kanał (np. Kanał 1) odpowiadający za sterowanie roletą,
- Określ Full Move Time – czas potrzebny na pełne otwarcie lub zamknięcie rolety. Na przykład, jeśli roleta ma pełny ruch w czasie 30 sekund, ustaw Full Move Time na 30 sekund (3000 ms).
Testowanie działania
Po wprowadzeniu ustawień, sprawdź, czy roleta działa poprawnie. Powinna się otworzyć po upływie 30 sekund, a po kolejnym 30 sekundowym okresie zamknąć.
Jeśli roleta działa poprawnie, możesz zmienić czasy ruchu i opóźnienia, aby dostosować je do swoich potrzeb.
Podłączenie sygnalizatora lub dodatkowych urządzeń
Możesz również podłączyć sygnalizator do wyjścia, aby otrzymywać powiadomienia, gdy roleta osiągnie pełne otwarcie lub zamknięcie.
Opis
Funkcja sterowania roletami w systemach automatyki domowej za pomocą modułu PE-2-2 umożliwia precyzyjne kontrolowanie ruchu rolet. W przypadku tej funkcji kluczowe jest odpowiednie ustawienie czasu pełnego ruchu (Full Move Time), który zapewnia synchronizację działania przekaźników z czasem potrzebnym do pełnego otwarcia lub zamknięcia rolety.
Moduł Lantick PE-2-2 sprawia, że sterowanie roletami może być w pełni zautomatyzowane, a system można łatwo dostosować do indywidualnych potrzeb użytkownika, uwzględniając różne czasy opóźnienia, otwierania i zamykania.
Monitorowanie komunikacji między dwoma urządzeniami Lantick w systemie alarmowym za pomocą funkcji Comm Monitor
Cel: Użycie funkcji Comm Monitor do monitorowania, czy urządzenie Lantick odpowiedzialne za alarmy odbiera sygnały z centrali alarmowej. W przypadku braku odbioru sygnału, urządzenie uruchamia sygnał alarmowy (np. dzwonek).
Instrukcja wykonania:
Połączenie urządzeń Lantick:
- Upewnij się, że oba urządzenia Lantick są połączone w tej samej sieci lokalnej,
- Urządzenie 1 (np.
192.168.111.15) jest podłączone do systemu alarmowego, - Urządzenie 2 (np.
192.168.111.16) pełni rolę odbiornika, który będzie monitorował komunikację z urządzeniem 1.
Konfiguracja Comm Monitor na urządzeniu 2:
- Zaloguj się do panelu sterowania urządzenia 2 przez przeglądarkę internetową, wpisując adres IP (np.
http://192.168.111.16), - Przejdź do zakładki Administration,
- Zaznacz opcję Enable Program Access (aby umożliwić dostęp programowy):
- Następnie w zakładce Channel w wierszu output mode wybierz opcję Comm Monitor,
- Wybierz kanał (np. kanał 4), na którym urządzenie będzie monitorować komunikacje.
Ustawienie parametrów monitorowania:
- Ustaw czas oczekiwania na brak ramki na 30 sekund (domyślny czas),
- Jeśli urządzenie 2 przez 30 sekund nie odbierze żadnej ramki z urządzenia 1 (np. centrala alarmowa nie wysłała informacji), urządzenie 2 automatycznie uruchomi sygnał alarmowy na kanale 1.
Podłączenie sygnalizatora
Można podłączyć sygnalizator (np. dzwonek lub lampkę sygnalizacyjną) do wyjścia kanału 1 urządzenia 2, aby zostać powiadomionym o problemie z komunikacją.
Opis
Funkcja Comm Monitor jest idealna w systemach alarmowych, gdzie niezawodność komunikacji między urządzeniami jest kluczowa. Jeśli urządzenie odbierające nie dostaje sygnałów przez określony czas (np. 30 sekund), uruchamia alarm lub inne urządzenia powiadamiające o awarii połączenia.
Sterowanie oświetleniem i roletą w pokoju gościnnym z wykorzystaniem Lantick i KNX
Cel: Zaprojektowanie sterowania oświetleniem oraz roletą w pokoju gościnnym przy użyciu dwóch modułów Lantick oraz systemu KNX. Włącznik naścienny monostabilny umożliwia zarządzanie światłem i roletą w zależności od rodzaju naciśnięcia.
Instrukcja wykonania:
-
Skonfiguruj wejścia w Lantick 0-8:
-
W zakładce Comm2Other, skonfiguruj:
- Channel 3: przypisz grupę KNX 1/1/1 do funkcji Off 0,
- Channel 3: przypisz grupę KNX 1/1//2 do funkcji Hold On 0.
-
Skonfiguruj wyjścia w Lantick 8-0:
-
W zakładce Channel ustaw kanał 1 w tryb bistabilny.
- W zakładce Comm2Other, skonfiguruj:
- Channel 1: przypisz grupę KNX 1/1/2 do funkcji On Control.
- Channel 2: przypisz grupę KNX 1/1/1 do funkcji Invert.
Zasada działania systemu
-
Krótkie naciśnięcie włącznika:
-
Wyzwala funkcję Off 0, co powoduje wysłanie sygnału do grupy KNX 1/1/1,
-
Lantick 8-0 zmienia stan wyjścia nr 2 (oświetlenie), włączając lub wyłączając światło w pokoju gościnnym.
-
Przytrzymanie włącznika:
-
Wyzwala funkcję Hold On 0, co powoduje wysyłanie sygnału do grupy KNX 1/1/2,
- Lantick 8-0 steruje wyjściem nr 1 (roleta), naprzemiennie zamykając lub otwierając roletę w pokoju gościnnym.
Wskazówka
Możesz dostosować czas, przez jaki włącznik musi być przytrzymany aby aktywować funkcję Hold On. W tym celu przejdź do zakładki Channel i zmień wartość parametru C2O HoldOn time na kanale trzecim.
Wskazówka
Do przetestowania działania układu możesz wykorzystać tryb symulacji wpisując w przeglądarce: http://nr_ip/stat.php?insim=1
Komunikacja jeden do wielu/wiele do jednego z zabezpieczeniem przed utratą łączności
Cel: Sterowanie wieloma modułami wyjściowymi przy użyciu jednego modułu wejściowego. W przypadku braku połączenia z modułem sterującym, moduły z wyjściami wyłączą się po upływie zadanego czasu.
Instrukcja wykonania:
Połączenie urządzeń Lantick:
- Upewnij się, że oba urządzenia Lantick są połączone w tej samej sieci lokalnej.
- Urządzenie 1 – Lantick PE-0-8 – pełni funkcje urządzenia nadrzędnego, do którego podłączony jest przycisk bistabilny. Włączenie/wyłączenie przycisku ma spowodować załączenie/wyłączenie wyjść w obu modułach wyjściowych.
- Urządzenia 2 i 3 – Lantick PE-2-2 – urządzenia podrzędne. W sytuacji zaniku komunikacji pomiędzy urządzeniami 2, 3 a modułem nr 1, po upływie 10s ma nastąpić automatyczne wyłączenie wszystkich wyjść.
Konfiguracja modułu nr 1:
- Zaloguj się do panelu sterowania urządzenia nr 1 przez przeglądarkę internetową, wpisując adres IP (np.
http://192.168.111.15), - Przejdź do zakładki Administration,
- Zaznacz opcję Enable C2O Module,
- W górnej części ekranu pojawi się monit informujący o konieczności resetu urządzenia. Należy kliknąć podświetlony przycisk,
- W zakładce Channel, dla Channel 1 wprowadź następujące ustawienia:
- C2O HoldOn time – 0,
- C2O Repetition – 4.
Wskazówka
Dla większej niezawodności systemu zaleca się ustawienie C2O Repetition na wartość ok. 2,5 raza mniejszą, niż czas do dezaktywacji wyjść.
np. 20s = C2O Repetition: 8
- W zakładce Comm2Other > Channel In 1, dla fukcji On 0 wybierz protokół KNX, przypisz grupę 1/1/1, wprowadź ramkę danych
\x01\x00\x64
Wyjaśnienie składni
\x01 – Załączenie przekaźnika na ustalony czas.
\x00\x64 – 100 w HEX (10s w jednostkach 0,1s)
Wskazówka
W wypadku stwierdzenia niepoprawnej składni ramki danych, należy kliknąć przycisk Toggle Frame Format u góry strony.
- Dla funkcji Off 0 wybierz protokół KNX, przypisz grupę 1/1/2, wprowadź ramkę
\x01
Wskazówka
Po dokonaniu zmian, należy je zapisać przyciskiem Save
Konfiguracja modułów nr 2 i 3
- Zaloguj się do paneli sterowania urządzeń 2 i 3 przez przeglądarkę internetową, wpisując ich adresy IP (np.
http://192.168.111.16,http://192.168.111.17), - Przejdź do zakładki Administration,
- Zaznacz opcję Enable C2O Module,
- W górnej części ekranu pojawi się monit informujący o konieczności resetu urządzenia. Należy kliknąć podświetlony przycisk,
- W zakładce Comm2Other > Channel Out 1, dla funkcji Off (DPT 1) przypisz grupę 1/1/2,
- Dla funkcji Time przypisz grupę 1/1/1.
Wskazówka
Po dokonaniu zmian, należy je zapisać przyciskiem Save
Ustawienia fabryczne, backup
Przywrócenie ustawień fabrycznych
Aby przywrócić ustawienia fabryczne urządzenia, należy przytrzymać przycisk RESET przez 10 sekund. Przycisk znajduje się na obudowie urządzenia:
- W modelach 4-4, 0-8, 8-0, 0-16 oraz 16-0 przycisk RESET znajduje się na przednim panelu urządzenia (ikona klucza).
- W modelach 2-2, 0-4 przycisk znajduje się w górnej części urządzenia, obok złącza zasilania.
- W modelach 0-1, 1-0, 1-1 przycisk znajduje się w dolnej części urządzenia, obok portu Ethernet.
Po wykonaniu powyższych czynności urządzenie ustawi następujące parametry:
- Adres IP: 192.168.111.15
- Maska IP: 255.255.255.0
- Użytkownik: admin
- Hasło: admin00
Backup / Przywrócenie ustawień użytkownika
Aby zapisać ustawienia użytkownika, wystarczy z zakładki Backup pobrać plik:
- Kliknij przycisk Download w sekcji Backup.
- Zapisz plik na dysku.
Przywrócenie ustawień:
- Wybierz plik
backup.bin. - Kliknij przycisk Upload, aby przywrócić zapisane ustawienia.
Gwarancja i odpowiedzialność producenta
Ostrzeżenie
Producent udziela dwuletniej gwarancji na urządzenie oraz zapewnia serwis pogwarancyjny przez okres 10 lat od daty wprowadzenia urządzenia na rynek. Gwarancja obejmuje wszystkie wady materiałowe i produkcyjne
Producent zobowiązuje się do przestrzegania umowy gwarancyjnej, jeżeli spełnione są następujące warunki:
- Wszystkie naprawy, zmiany, rozszerzenia oraz kalibracje urządzenia wykonywane są przez producenta lub autoryzowany serwis,
- Sieciowa instalacja zasilająca spełnia warunki obowiązujących w tym względzie norm,
- Urządzenie obsługiwane jest zgodnie z zaleceniami przedstawionymi w niniejszej Instrukcji,
- Urządzenie używane jest zgodnie z przeznaczeniem.
Producent nie ponosi żadnej odpowiedzialności za konsekwencje wynikłe z nieprawidłowej instalacji, niewłaściwego użytkowania urządzenia, nieprzestrzegania instrukcji obsługi oraz przeprowadzania napraw przez osoby nieposiadające uprawnień.
Ostrzeżenie
W urządzeniu nie ma żadnych części, które wolno użytkownikowi samodzielnie wymieniać.
Warunki przechowywania, pracy i transportu
Urządzenie powinno być przechowywane w pomieszczeniach zamkniętych, w których atmosfera jest wolna od par i środków żrących oraz:
- Temperatura otoczenia od -30°C do +60°C,
- Wilgotność od 25% do 90% (niedopuszczalne skroplenia),
- Ciśnienie atmosferyczne 700 do 1060 hPa.
Urządzenie przeznaczone jest do pracy w następujących warunkach:
- Temperatura otoczenia od -10°C do +55°C,
- Wilgotność od 30% do 75%,
- Ciśnienie atmosferyczne 700 do 1060 hPa.
Zalecane warunki transportu:
- Temperatura otoczenia od -40°C do +85°C,
- Wilgotność od 5% do 95%,
- Ciśnienie atmosferyczne 700 do 1060 hPa.
Instalacja i użytkowanie urządzenia:
- Moduł powinien być obsługiwany zgodnie z zaleceniami przedstawionymi w dalszej części instrukcji.
Utylizacja i likwidacja
W przypadku, kiedy niezbędna staje się likwidacja urządzenia (np. po upływie czasu jego użytkowania), należy zwrócić się do producenta lub przedstawiciela producenta, którzy zobowiązani są do właściwej reakcji, tzn. odbioru urządzenia od użytkownika. Użytkownik może się również zwrócić do firm zajmujących się utylizacją i/lub likwidacją urządzeń elektrycznych lub sprzętu komputerowego. W żadnym wypadku nie należy umieszczać urządzenia wraz z innymi odpadkami.